乡村道路施工组织设计(共20页)
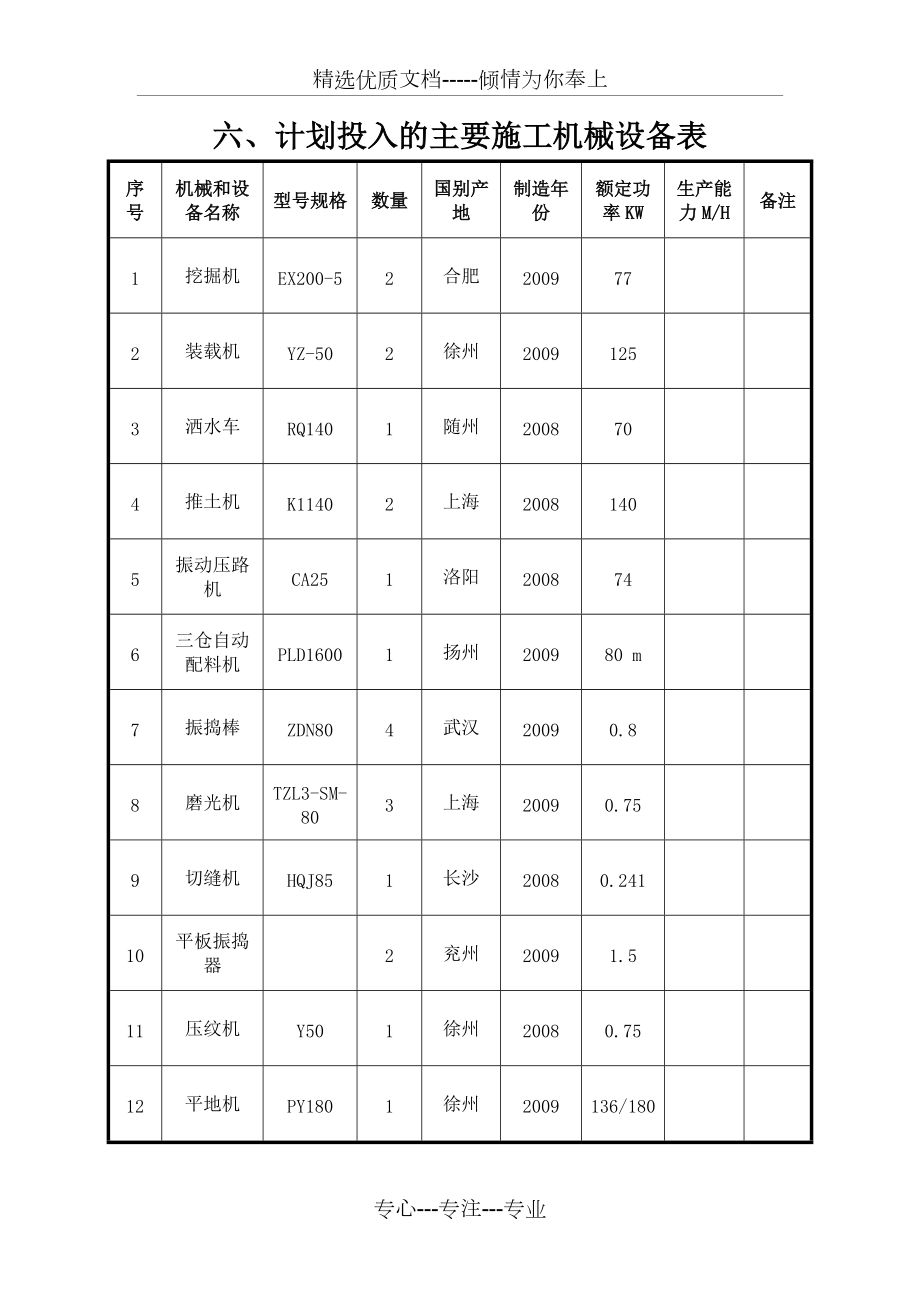
精选优质文档-----倾情为你奉上六、计划投入的主要施工机械设备表序号机械和设备名称型号规格数量国别产地制造年份额定功率KW生产能力M/H备注1挖掘机EX200-52合肥2009772装载机YZ-502徐州20091253洒水车RQ1401随州2008704推土机K11402上海20081405振动压路机CA251洛阳2008746三仓自动配料机PLD16001扬州200980 m7振捣棒ZDN804武汉20090.88磨光机TZL3-SM-803上海20090.759切缝机HQJ851长沙20080.24110平板振捣器2兖州20091.511压纹机Y501徐州20080.7512平地机PY1801徐州2009136/180七、主要施工人员表机构项目工程师姓名职务职称主要资历、经验及承担过的工程 总 部项目主管李钰梅总经理助理工程师管理经验丰富技术负责人刘建总 工高 工管理经验丰富 现 场项目经理刘建项目负责人工程师项目管理经验丰富项目工程师金 城技术负责人工程师施工管理经验丰富质量管理顾萍质检员助工质量管理经验丰富材料管理季晓磊材料员助工材料管理经验丰富安全管理李玉芬安全员助工安全管理经验丰富计划管理周杨预算员工程师计划管理经验丰富顾爱军施工员八、施工组织设计(一)施工总平面布置图(二)施工总体进度计划安排表年度2015年 月份主要工程项目5月份6月份7月份8月份9月份10月份临时设施搭建、施工准备 金北村8组水泥路 金北村10组水泥路 金北村11-8组水泥路 金北村11组水泥路 金北村12组水泥路 金北村13-14组水泥路 金北村13组水泥路 金北村14-10组水泥路 金北村14组水泥路 金北村50组水泥路 金北村108组水泥路 金北村114组水泥路 场地清理 竣工验收 (三)施工方案一、工程概况1、项目名称:南通市通州区金沙2015年财政一事一议项目。
2、工程内容:详见工程量清单3、工程实施地点:通州区金沙街道平桥镇村、金北村、新三园村4、计划工期:180日历天5、质量目标:总体一次性验收合格6、安全生产目标:杜绝重伤和伤亡事故,杜绝机械和火灾事故的发生7、文明施工目标:严格按有关规定施工,搞好现场文明施工定量管理和目标管理,把本工程建成文明施工模范工程8、环境保护目标:遵守有关环境保护法规,树立全员环保意识,在确保工程质量和工期的前提下,最大限度地减少对环境的污染,创造良好的环境条件二、编制依据及原则(一)本方案编制依据1、工程招标文件;2、《公路水泥混凝土路面施工技术规范》JTG F30—2003 3、《公路工程质量检验评定标准》JTGF80/1-2004 4、《公路工程施工安全技术规程》JTJ076/1-955、本工程设计主要依据的规范、规定和标准6、其他国家现行关规范、标准和规程7、本公司ISO9000质量体系文件;(二)本方案编制原则1、单位工程合格率100%2、遵循招标文件各项条款要求,严格按照设计标准,现行施工规范和质量检验评定标准,正确组织施工,确保工程质量合格3、根据工期要求,抓住关键线路,合理安排施工进度,搞好工序衔接,达到均衡生产,在保证工程质量、安全的前提下,尽量缩短工期。
4、坚持实事求是的原则,在制定施工方案中,充分发挥我队专业化、机械化的施工优势,借鉴以往类似工程施工经验,坚持科学管理、精心施工,确保高速度、高质量、高效益地完成本合同段的建设 5、科学合理配置资源,做到机械化作业、流水作业和标准化作业,合理配备劳动力资源,加强内部管理,降低工程成本,提高经济效益6、在满足业主各种要求的前提下,确保实现进度、质量、安全的预期目标三、工程施工部署(一)、施工准备为了确保本工程能够圆满完成,根据本工程特点,做好施工前准备工作,科学组织,精心安排、计划在先,保证施工中各项工作的顺利开展 1、施工前组织有关单位做好现场交接工作,布设施工用电线路,用水管线和临建设施 2、做好图纸会审工作,组织工程技术人员认真熟悉图纸,全面掌握施工图纸内容,提出方便施工的合理化建议 3、根据本工程的具体情况,编制切实可行的单项施工工艺措施和施工方案,重点阐明重要项目的施工方法、施工工艺、工程进度安排、劳动力组织、质量及安全保证措施,以利于有效地指导现场施工 4、做好技术交底工作,在工程开工前,公司总工程师组织质检科、工程技术科向项目经理部进行技术交底,内容是施工组织设计,风雨季施工措施等,项目技术负责人再根据进度计划向施工员和作业班组交底,重点放在施工方案、技术措施、作业指导书、工艺标准、安全措施等方面,交底必须细致齐全,并应结合具体操作部位,关键部位和施工难点的质量要求,操作要点,安全要求等进行详细的交底。
5、及时编制施工预算,充分反映工程所需的各种费用,材料、劳动力等,有效指导进度计划、材料计划、劳动力安排、竣工决算和经济分析等工作的开展 6、认真做好材料的计划采购准备,编制各项材料计划,对多种材料的采购,入库、保管和出库,制定完善的管理方法,同时加强安保管理二)、现场组织安排为确保工程安全、优质、高效地完成,现场的人员组织、劳动力配备情况如下: a、组建精干高效的现场项目经理部(见主要施工人员表)从公司抽调经验丰富、技术业务精通、事业心和责任感强的技术人员充实各部门,使整个经理部的职责是:高度集中、统一指挥、内外协调、全面负责 b、调配专业水平高的作业队伍投入项目根据工程规模及工程特点,组建流水作业施工队,分别承担各项目施工,并配备套相配的机械设备要求各作业队与项目部高度一致,从全局出发,相互配合,搞好各工程的施工三)、本工程主要施工方法1、测量放线根据设计图纸放出路线中心线及路面边线;在路线两旁布设临时水准点,以便施工时就近对路面进行标高复核混凝土摊铺过程中,要做到勤测、勤校、及时纠偏本工程测量组技术人员必须持证上岗,认真完成本工程的测量工作本工程测量组仪器及工器具配备如下:经纬仪一台;水准仪一台;50m钢尺二个;步话机一对;7m合尺3个。
均选用工程开工前经有资质的检验单位检测合格的仪器)2、路基处理按设计要求及相关质量规范要求,进行道路基层灰土拌合及压实、夯实等施工路基压实施工时基土含水量需保持在最佳含水量,施工完毕后需按规定检测压实密度,检测合格并经现场监理工程师确认后方可进行下道工序的施工路基施工过程中应预先考虑天气、气候等对路基质量具有重大影响的因素,严格遵守作业规范与质量验收规范,合理安排作业时间,在确保工程质量的同时减少因雨季天气原因造成的返工与材料浪费3、模板安装混凝土路面侧模采用钢模板,高度与混凝土板厚度相等在处理好的基层上,清扫杂物及浮土,然后再支立模板,模板高度与路面高度相齐平模板按预定位置安放在基层上,两侧用铁钎打入基层以固定位置,模板顶面用水准仪核查其标高,不符合时予以调整,施工时应经常校验,严格控制模板标高和平面位置支立好的模板要与基层紧贴,并且牢固,经得起振动梁的振动而不走样,如果模板底部与基层间有空隙,应把模板垫衬起,把间隙填塞,以免混凝土振捣时漏浆模板内侧涂刷肥皂液或废机油以便拆模接缝位则在安装好的模板上做出标记4、混凝土浇筑 采用小型机具 (振动梁) 铺筑道路混凝土设专人指挥自卸车准确卸料。
运至浇筑现场的混合料,一般直接倒向安装好侧模的路槽内,并用人工找补均匀,有明显离析时应重新拌匀摊铺时应用大铁钯子把混合料钯散,然后用铲子、刮子把料钯散、铺平,在模板附近,需用方铲用扣铲法撒铺混合料并插入捣几次,使砂浆捣出,以免发生空洞蜂窝现象人工摊铺混凝土拌和物的坍落度控制在5-20mm之间,拌和物松铺系数控制在1.1-1.25之间混凝土摊铺完毕后需振捣密实均匀浇筑工作施工间歇时间不得过长,一般不应超过1小时,因故停工在1小时以内,可将已捣实的混凝土表面用麻袋覆盖,恢复工作时将此混凝土耙松,再继续铺筑;如停工1小时以上时,应作施工缝处理施工时应搭好事先备好的活动雨棚架,如在中途遇雨时,一面停止铺筑,设置施工缝,一面操作人员可继续在棚下进行抹面等工作5、施工缝及伸缩缝 路面横向缩缝采用切缝法,合适的切缝时间应控制在混凝土获得足够的强度而收缩应力未超出其强度的范围内时进行,它随混凝土的组成和性质、施工时的气候条件等因素而变化,施工人员须根据经验进行试切后决定每日施工终了必须设置横向施工缝,其位置宜设在胀缝和缩缝处,设在胀缝处,其构造采用胀缝构造先浇筑胀缝一侧混凝土,取走胀缝模板后,再浇另一侧混凝土,钢筋支架浇在混凝土内。
压缝板条使用前应涂废机油或其它润滑油,在混凝土振捣后,先抽动一下,而后最迟在终凝前将压缝板条抽出,抽出时,用木板条压住两侧混凝土,然后轻轻抽出压缝板条,再用铁模板将两侧混凝土抹平整6、路面抹面收光及拉毛 水泥混凝土路面收水抹面及拉毛操作的好坏,可直接影响到平整度、粗糙度和抗磨性能,混凝土终凝前必须收水抹面 抹面前,先清边整缝,清除粘浆,修实掉边、缺角抹面一般用小型电动磨面机,先装上圆盘进行粗光,再装上细抹叶片精光操作时来回抹平,操作人员来回抹面重叠一部分,初步抹面需在混凝土整平后10分钟进行抹面机抹平后,有时再用拖光带横向轻轻拖拉几次 抹面后,当用食指稍微加压按下能出现2mm左右深度的凹痕时,即为最佳拉毛时间,拉毛深度1~2mm 拉毛时,拉纹器靠住模板,顺横坡方向进行,一次进行中,中途不得停留,这样拉毛纹理顺畅美观且形成沟通的沟槽而利于排水7、养护 当混凝土表面有相当硬度时,一般用手指轻压无痕迹,就可用湿草垫或湿麻袋覆盖,洒水养护时应注意水不能直接浇在混凝土表面上,当遇到大雨或大风时,要及时覆盖润湿草垫每天洒水养护,保持草垫或麻袋湿润加入减水剂的混凝土强度5天可达80%以上,此时可撤掉草垫或湿麻袋,放行通车后,仍需洒水养护2~3天。
8、夏季施工 本工程工期包含2015年夏季由于夏季天气炎热,高温、干燥环境会使混凝土的坍落度减小、凝结速度加快、水分迅速蒸发,导致塑性收缩裂纹与干缩裂纹,新老混凝土接茬不良、抗渗与耐久性变差夏季施工时为防止水分过早的蒸发,一般应采取以下措施: (1)温度过高影响混凝土浇筑质量且无法采取改善措施时,严禁进行路面混凝土浇筑施工 (2)浇筑工程中,摊铺、振捣、收水抹面与养护各道工序应衔接紧凑,尽可能缩短施工时间 (3)在已摊铺好的路面上,应尽量搭设凉棚,避免表面烈日暴晒4)在收水抹面时,因表面过分干燥而无法操作的情况下允许洒水少量于表面进行收抹面9、雨季施工本工程需在雨季进行施工,雨季施工安排如下:(1)对施工便道及部分既有县乡道路进行硬化处理,确保交通通畅2)雨季来临前,备足施工所需材料,并对水泥、外加剂等做好防潮工作3)及时给施工人员配发雨衣、雨具和防滑用品加强安全防护装置4)掌握天气动态施工前与当地气象部门签订服务合同,以便抢晴天,争阴天,巧调度,妙安排,提高施工工作效率5)修建临时排水系统,确保排水畅通汛期加强河流水位、流速的观察和临时过水设施的加固整修6)砼浇注后要及时覆盖,做好混凝土路面的防护工作。
10、重点(关键)和难点工程的施工方案、方法及措施水泥混凝土路面施工属于道路工程中所用原材料种类较多、工序多而复杂,并且对外界环境温度比较敏感的结构,所以路面原材料的选择、级配及组成设计、试验检测水平、施工工序控制、工艺水平、设备与技术水平及施工环境等,都直接影响路面工程的质量水泥混凝土路面具有强度高,稳定性好、耐久性好、使用寿命长、日常养护费用少,且有利于夜间行车等优点因而要保证水泥混凝土路面具有良好的使用性能,不仅要精心设计,还要精心施工,在施工环节上狠抓施工质量,做好施工中的“三检”工作,确保工程质量四、工程质量保证体系和技术措施1、具体质量目标本工程的质量总体目标是:本段工程质量一次验收合格率100%,不允许出现不合格工程,坚决杜绝不合格项目,不论是自检,还是业主监理的中检、抽检、终检,任何时候都达到工程质量合格标准2、质量控制重点本项目工程重点是路面摊铺厚度和平整度控制、路面碾压控制、路面防开裂控制3、质量控制机构和创优规划质量管理领导小组是整个工程质量管理的最高领导机构,由项目经理、施工工程师、质检工程师、施工组长组成,制订整个工程质量保障规划、方针、措施各施工队分别设质量管理员专职抓现场质量管理。
施工队一级的质量人员在项目经理和质量管理小组领导下,制订本工段施工区段的质量保证措施、质量实施计划,并重在现场落实施工队对各自承担工程的质量难点和关键工序进行分析,制定施工计划,积极开展工作施工队所属各施工班组根据自己的施工任务,拟定项目工程具体的分项实施计划,责任到人,严格要求,全员全过程质量控制4、制订切实可行的质量检查程序各分项工程施工队(班组)在每一道工序过程及完成后,由质检员按设计图和技术规范要求严格进行自检,对自检合格工程填写质检申请表,经质检组核实后报质检工程师审查,质检工程师确认自检组的检查有效后签字报送现场(驻地)监理工程师申请检验,请监理工程师检查验收,监理工程师的检验合格后,方可进行下一工序的施工5、强化质量意识,健全规章制度在施工中树立“质量关系千万家,搞好质量人人抓”的观念,使职工认识到质量工作的好坏与企业、个人利益的关系,把质量工作贯穿到施工全过程中,深入到企业的每一个人,形成道道工序齐抓共管,上下自律,使工程质量始终处于受控制状态推行IS09000族系国际标准,按质量管理手册严格要求,使各项工程质量工作落到实处加强全面质量管理,实行项目分解及目标管理,科学指导施工。
积极推广新技术、新工艺、新材料6、施工阶段的质量控制(1)严格做好技术交底包括图纸交底、施工组织设计交底、设计变更交底、分项工程技术交底,没有技术交底的项目不得开工2)坚持旁站制度技术员、质检员必须跟班作业,工程关键部位以及经监理工程师批准,实行“三班制”施工的项目必须有质检工程师守候现场工程技术人员跟班作业,随时解决施工中的技术难题3)对于连续施工工序,交班质检人员就本班施工质量情况以及需要注意事项向接班人员作详细说明,并认真填写交接班记录4)采用先进的检测设备,选派责任心强的检测人员,加强对整个工程的施工控制,并确保各工序、各分项工程的施工质量,严格执行测量管理制度,坚持测量换手复测制度和测量资料复核制度5)严把材料质量关严格按规定做好各项检验工作,建立健全自检体系要保证检验方法的正确和检验工具、检验仪器设备的准确性上道工序不合格,下道工序不能施工6)每一工序完工后,应对施工现场进行清理,以免残留物质对下道工序产生质量影响7)制定切实可行的雨季施工措施,保证施工质量不受气候的影响建立工程技术档案,做好竣工资料的编制平时注意资料的积累,工程竣工时按建设单位的要求,提交竣工文件五、安全保证措施1、施工前的安全准备工作(1)建立和健全安全保证体系项目经理部建立以项目经理为总负责人的安全生产责任制,以及下属工程技术人员、班组长的安全生产保证体系。
工程技术人员负责编制安全技术措施,班组长负责带领班组人员实施专职或兼职安全员负责协助,项目负责人每星期进行一次安全例会,传达上级的安全指令,通报上一周项目施工中存在的隐患情况,明确下一步任务,确保施工安全的工作重点,对季节施工、环境变化做出指示,并制订相应对策2)施工前的勘察本工程施工前应对所要施工区域、周围设施、道路、高压线路等进行必要的安全勘察,结合勘察情况及施工作业期限,根据本工程的施工现场平面图,有针对性制定出各材料的平面位置及施工用电等的技术措施方案3)安全教育工人进场必须进行岗位安全三级教育,即必须进行公司一级、项目一级、班组一级安全教育2、施工中的安全管理(1)施工现场保卫工作:施工区域与生活办公区域要实行有效隔离2)施工安全技术交底:安全技术交底的安全技术措施要全面,要有针对性,并经技术部门及分管经理签字及盖章后,方可实施3)安全检查:项目部进行日、旬检查,并有记录,整改应做到“三定一落实”,即定人、定时间、定措施、落实整改回访4)安全用电:工地设专职电工,负责工地施工用电管理所有用电器具均作接地保护,安装漏电保护开关,用电线路架设严格执行安全规范5)机械设备操作人员必须有高度责任心,严格按《建筑机械使用安全技术操作规程》操作,经常检查消除故障,进行维修保养设备。
6)现场防火、防爆的消防措施,严格执行《中华人民共和国消防条例》和公安部关于建筑工地防火的基本措施六、施工进度计划及保证措施1、确保工期的组织管理措施(1)加强现场组织指挥指挥,保证工期的实现(2)加强劳动管理,提高劳动效率a.加强用工计划性,实行定额用工,提前储备好劳力b.加强劳动定额管理,确保定额劳动量的完成c.依靠科学组织与合理安排,保证各工序连续施工,避免相互干扰的发生d.领导跟班作业及时发现并解决问题,提高工效e.必须采用多班制的施工项目要安排好人员轮休,必须在夜间或公休日施工的项目,要安排调休,保证施工人员精力充沛,始终处于良好工作状态f.安排好一线施工人员的伙食生活,保持职工充沛精力3)创造良好的外部环境,保证施工的连续进行2、保证工期的主要技术措施(1)提前作好技术服务,保证施工的顺利进行a.发挥技术的服务作用,细审核、勤交底、勤检查提前作好测量、试验等各项技术工作b.现场专业技术工作者,深入一线跟班作业,及时搞好技术交底,并做到发现问题解决c.制定详细的单位工程施工组织,实施中不断优化,做到科学施工;信息反馈及时,适时调整和优化施工方案,确保主要工序能够顺利进行d.建立项目总工程师为首的技术保障、技术决策体系,加强项目总工程师技术岗位负责制,行使技术否决权。
2)加强技术攻关,化解现场难题a.发挥技术专家作用,对难度较大的技术问题,派遣我单位的技术专家奔赴现场,确保各种方案和措施技术可靠,工艺先进,工序合理,从而保证施工的顺利进行b.重大技术问题及时向设计、监理部门汇报,并积极会同相关单位研究解决方案3、保证工期的主要保障措施(1)加强材料供应,抓好物资保障a.选配有工作和管理经验的同志负责物资采购工作b.加强材料计划管理,按施工计划安排材料供应c.根据施工特点,超前调查和预测市场供应情况,特别是季节性要做材料的适量储备d.严把材料质量关,严格杜绝劣质材料进场2)加强机械保养,抓好设备保障a.选配具有较好的技术素质、较强的事业心和责任心的同志负责设备管理工作b.加强设备的维修与保管,确保完好率和出勤率,满足施工需要c.加强现场和工作面设备的协调使用d.根据工程进展,在购置新设备时,应超前考虑,专人落实,做到随用随上,不误时间3)加强财务管理,抓好资金保障a.在施工准备阶段和施工过程中,依据施工计划,合理安排采购资金b.发挥我单位的集体优势,必要时可以从其他项目调度闲置资金c.从简生活设施开支,压减非生产成本的支出,全力保障资金合理地用于本标段工程。
七、文明施工措施1、文明施工保证措施(1)建立和健全文明施工保证体系我公司有完整的文明施工体系进行文明施工的管理公司每个月进行一次文明施工工地检查评比活动,项目经理将文明施工作为日常工作常抓不懈2)落实《建筑施工安全检查标准》(JGJ59-99)要求2、消防保卫措施(1)建立保障体系在施工的全过程,建立以项目经理牵头,行政部门及安全部主抓,其他部门配合管理的体系2)消防保证措施实行逐级防火责任制,明确各级的职责,组建消防小组,负责日常的消防工作除特殊批准外,不允许使用电炉,并且在生活区、办公区及现场设足够消防器材专心---专注---专业。




