整理土力学与地基基础设计实例

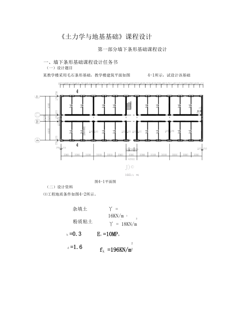
《土力学与地基基础》课程设计第一部分墙下条形基础课程设计一、墙下条形基础课程设计任务书(一)设计题目某教学楼采用毛石条形基础,教学楼建筑平面如图 4-1所示,试设计该基础J)©1££Li:»k图4-1平面图(二)设计资料⑴工程地质条件如图4-2所示杂填土丫 = 16KN/m 3粉质粘土_ 3丫 = 18KN/mb =0.3Es =10MPad =1.62fk =196KN/m2淤泥质土 Es = 2MPa2fk =88KN/m2⑵室外设计地面-0.6m,室“凌许见腓俯酬映然地面标高⑶由上部结构传至基础顶 面的竖向力值分别为 外纵墙汇FiK=558.57kN,山墙汇 F2K=168.61kN,内横墙汇F3K=162.68kN,内纵墙汇F4K=1533.15kN⑷基础采用M5水泥砂浆砌毛石,标准冻深为 1.2m三)设计内容⑴荷载计算(包括选计算单元、确定其宽度)⑵确定基础埋置深度⑶确定地基承载力特征值⑷确定基础的宽度和剖面尺寸⑸软弱下卧层强度验算⑹绘制施工图(平面图、详图)四)设计要求⑴计算书要求书写工整、数字准确、图文并茂⑵制图要求 所有图线、图例尺寸和标注方法均应符合新的制图标准,图 纸上所有汉字和数字均应书写端正、排列整齐、笔画清晰,中文书写为仿宋字。
⑶设计时间三天二、墙下条形基础课程设计指导书(一)荷载计算1 .选定计算单元 对有门窗洞口的墙体,取洞口间墙体为计算单元;对无 门窗洞口的墙体,则可取1m为计算单元(在计算书上应表示出来)2 .荷载计算计算每个计算单元上的竖向力值(已知竖向力值除以计算单元宽度) (二)确定基础埋置深度dGB50007-2002规定 dmin=Zd-hmax或经验确定 dmin=Z0+ (100〜200) mm式中ZdZ0zszwze设计冻深,Zd= Z0-巾zs ,巾 zw ,巾 ze;标准冻深;-土的类别对冻深的影响系数,按规范中表 5.1.7-1;一土的冻胀性对冻深的影响系数,按规范中表 5.1.7-2;一环境对冻深的影响系数,按规范中表 5.1.7-3;(三)确定地基承载力特征值fafa = fak , b (b-3) d m(d - 0.5)式中fa一一修正后的地基承载力特征值(kPa);fak一一地基承载力特征值(已知)(kPa);中、中一一基础宽度和埋深的地基承载力修正系数(已知);丫一一基础底面以下土的重度,地下水位以下取浮重度 (kN/m3);T m一一基础底面以上土的加权平均重度,地下水位以下取浮重度 (kN/m3);b一一基础底面宽度(m),当小于3m按3m取值,大于6m按6m取值; d一—基础埋置深度(m)0(四)确定基础的宽度、高度H0>Fk _ fa - hb -bgb22tan ;b2 / H 0式中为柱下独立基础时,轴向力算至基础顶面,当为墙下条形基础时,取 (kN/m)算至室内地面标高处; ・、 、 - ・、 ,— 2丫 一一基础及基础上的土重的平均重度,取 丫 =20 kN/m ;3=20-9.8=10.2 kN/m3;h一一计算基础自重及基础上的士自重 Gk时的平均高度(b2 基础台阶宽度(m);Ho 基础高度(m)0(五)软弱下卧层强度验算1m长度内的轴向力当有地下水时,取丫/m)。
Fk 相应于荷载效应标准组合时,上部结构传至基础顶面的竖向力值( kN)当如果在地基土持力层以下的压缩层范围内存在软弱下卧层,则需按下式验算下卧层顶 面的地基强度,即pz * pcz & faz式中Pz——相应于荷载效应标准组合时,软弱下卧层顶面处的附加应力值(kPa);pcz——软弱下卧层顶面处土的自重压力标准值(kPa);faz——软弱下卧层顶面处经深度修正后的地基承载力特征值(kPa)六)绘制施工图(2号图纸一张)合理确定绘图比例(平面图1: 100、详图1: 20〜1: 30)、图幅布置;符合《建筑制 图标准》三、参考文献1 .中华人民共和国国家标准.建筑地基基础设计规范(GB 50007-2002).北京:中国建 筑工业出版社,20022 .孙维东主编.土力学与地基基础.北京:机械工业出版社,20033 .中华人民共和国国家标准.砌体结构设计规范(GB50003-2001).北京:中国建筑工 业出版社,20024 .沈克仁王编.地基与基础.中国建筑工业出版社,1993四、设计实例1 .设计题目 某四层教学楼,平面布置图如图 4-1所示梁L-1截面尺寸为200mmX500mm,伸入墙内240 mm,梁间距为3.3 m,外墙及山墙的厚度为 370 mm,双 面粉刷,本教学楼的基础采用毛石条形基础,标准冻深为 1.2m。
由上部结构传至基础顶面的竖向力值分别为外纵墙 EF1K=558.57kN,山墙汇F2K=168.61kN,内横墙汇F3K=162.68kN, 内纵墙汇 F4K=1533.15kN2 .工程地质情况 该地区地形平坦,经地质勘察工程地质情况如图 4-2所示,地下水位在天然地表下8.5m,水质良好,无侵蚀性3 .基础设计⑴荷载计算1)选定计算单元 取房屋中有代表性的一段作为计算单元如图 4-3所示外纵墙:取两窗中心间的墙体内纵墙:取①一②轴线之间两门中心间的墙体山墙、横墙:分别取1 m宽墙体IX二&J二j■三1|二一口:二11201£二二二」二18⑪二 1二二W:Cl二二身仃二二tn日苜工RL 工1二113工2算二1”工二二引二」一 ..it f r f T r r f t r t r r f t f t ft f r t 1 f r i i:④ ⑤图4-3墙的计算单元2)荷载计算外纵墙:取两窗中心线间的距离 3.3 m为计算单元宽度贝(J F1k = ^k = 558.57 kN/m =169.26kN/m3.3 3.3山墙:取1 m为计算单元宽度WJ F2k == 168.61 kN / m = 168.61kN / m 1 1内横墙:取1 m为计算单元宽度贝(J F3k =J1FL = 162.68 kN /m =162.68kN/m 1 1内纵墙:取两门中心线间的距离 8.26m为计算单元宽度贝(J f4k = 1533.15 kN /m =185.61kN /m8.26 8.26⑵确定基础的埋置深度dd=Z0+200 = (1200 +200) mm=1400 mm⑶确定地基承载特征值fa假设b<3m,因d=1.4m>0.5m故只需对地基承载力特征值进行深度修正- 3= 17.29kN /m16 0.5 18 0.9kN/m30.5 0.9fa = fak d m(d-0.5) = 196 1.6 17.29 1.4 - 0.5 kN / m2 =220.89kN /m2⑷确定基础的宽度、高度1)基础宽度外纵墙: b1 > 一F1— = 16926 m = 0.877mfa—『'h 220.89 -20 1.4山墙: b2> —F2^^ = 1686 m = 0.874mfa;,~h 220.89 -20 1.4内横墙:b3> 一反—=——16268——m = 0.843mfa - :6h 220.89 -20 1.4内纵墙:b4> —豆J = 1856 m = 0.962mfa一『'xh 220.89 -20 1.4故取b=1.2m<3m ,符合假设条件。
2)基础高度基础采用毛石,M5水泥砂浆砌筑内横墙和内纵墙基础采用三层毛石,则每层台阶的宽度为‘1.2 0.24 ) 1 .,…、一,b2 = - 1M _m = 0. 1 6 m(符合构造要求)<2 2 J 3查GB50007-2002允许台阶宽高比[b”H0=1/1.5],则每层台阶的高度为Ho> -;———1 = 0.16 m = 0.24mb2 / H 0 J 1/1.5综合构造要求,取Ho=0. 4m最上一层台阶顶面距室外设计地坪为(1.4-0. 4X 3) m = 0.2m>0.1m故符合构造要求如图4-4所示)外纵墙和山墙基础仍采用三层毛石,每层台阶高 0. 4m ,则每层台阶的允许宽度为< b2 / H 0 H 0 = 1/1.5 0.4m = 0.267m又因单侧三层台阶的总宽度为(1.2-0.37) m /2=0.415 m故取三层台阶的宽度分别为 0.115 m 0.15 m、0.15 m,均小于0.2m (符合构造要求)最上一层台阶顶面距室外设计地坪为(1.4-0.4X 3) m = 0.2m>0.1m符合构造要求如图4-5所示)量忧口j.图4-4内墙基础详图图4-5外墙基础详图2- 2 1亢P0 = Pk - Pc185.61 20 1.2 1 1.41.2 1 2-17.29 1.4)kN/m⑸软弱下卧层强度验算1)基底处附加压力取内纵墙的竖向压力计算Fk Gk=1 5 8. 47k N2/m2)下卧层顶面处附加压力因 Z/b=4.1/1.2=3.4>0.5, Esi/Es2=10/2=5 故由GB50007-2002中表5.2.7查得9 =25 则bp()1.2 158.47 2 2PzkN /m =37.85kN/mb 2ztan1 1.2 2 4.1 tan253)下卧层顶面处自重压力pcz =(16 0.5 18 5)kN/m 2 =98kN/m 24)下卧层顶面处修正后的地基承载力特征值16 0.5 18 5 3 3 kN /m =17.82kN /mfaz算一Pz0.5 5=fak d m d z -0.5 = 88 1.0 17.82 0.5 5 -0.5 kN /m2 卜卧层的强度 2 2 2+ pcz =(37.85 +98)kN/m 2 = 135.85kN/m 2 < faz=177.1kN/m2= 177.1kN/m 2 5)验符合要求。
⑹绘制施工图 如图4-6所示图4-6条形基础平面图、剖面图第二部分柱下钢筋混凝土独立基础设计一、柱下钢筋混凝土独立基础设计任务书(一)设计题目某教学楼为四层钢筋混凝土框架结构,采用柱下独立基础,柱网布置如图 4-7所示,试设计该基础二)设计资料⑴工程地质条件该地区地势平坦,无相邻建筑物,经地质勘察:持力层为粘性土,土的天然重度为 18 kN/m3,地基承载力特征值fak=230kN/m;地下水位在-7.5m处,无侵蚀性,标准冻深为1.0m (根据地区而定)⑵给定参数柱截面尺寸为350mmx 500mm,在基础顶面处的相应于荷载效应标准组合,由上部结 构传来轴心荷载为680kN,弯矩值为80kN - m,水平荷载为10kN⑶材料选用混凝土:采用C20 (可以调整)(ft=1.1N/mm2)钢筋:采用HPB235 (可以调整)(fy=210 N/mm2)(三)设计内容⑴确定基础埋置深度⑵确定地基承载力特征值⑶确定基础的底面尺寸⑷确定基础的高度⑸基础底板配筋计算⑹绘制施工图(平面图、详图)(四)设计要求⑴计算书要求书写工整、数字准确、图文并茂⑵制图要求 所有图线、图例尺寸和标注方法均应符合新的制图标准,图纸 上所有汉字和数字均应书写端正、排列整齐、笔画清晰,中文书写为仿宋字。
⑶设计时间三天柱下钢筋混凝土独立基础课程设计指导书(一)确定基础埋置深度d同前所述(二)确定地基承载特征值fa同前所述fa = fak b (b-3) d m(d -0.5)(三)确定基础的底面面积式中各符号意义同前所述Fk GkA(四)持力层强度验算kmaxPkminpkmax pkminPk = < fa2式中 pk 相应于荷载效应标准组合时,基础底面处的平均压力值 (kPa);Pkmax 相应于荷载效应标准组合时,基础底面边缘的最大压力值 (kPa);pkmin 相应于荷载效应标准组合时,基础底面边缘的最小压力值 (kPa);Fk 相应于荷载效应标准组合时,上部结构传至基础顶面的竖向力值 kN);Gk——基础自重和基础上的土重(kN);2.A 基础面面租(m ) ■e0 偏心距(m);fa——修正后的地基承载力特征值(kPa);l ——矩形基础的长度(m)五)确定基础的高度Fl<0.7Php ftamh式中 Fl——相应于荷载效应基本组合时作用在 Al上的地基土净反力设计值(kN);B hp 受冲切承载力截面高度影响系数,当 h不大于800mm时,B hp取1.0;当大于等于2000mm时,0 hp取0.9,其间按线性内插法取用;ft——混凝土轴心抗拉强度设计值(kPa);am——冲切破坏锥体最不利一侧计算长度(m);h0——基础冲切破坏锥体的有效高度(m)。
六)底板配筋计算As ; Mi =’(l — az f(2b + bz Ipjmax + pjI)0.9h0 fy 48A 二 M 二0.9h0 fy- 1 . .2 c.M II - b - bz -- 2l az pj m a x pj m i n48式中 Asi、Asii ——分别为平行于l、b方向的受力钢筋面积(m2);Mi、Mii 分别为任意截面I-I、II-II处相应于荷载效应基本组合时的弯矩设计值(kN ' m);l、b——分别为基础底面的长边和短边(m);fy 钢筋抗拉强度设计值(N/mm2);pjmax、pjmin 相应于荷载效应基本组合时的基础底面边缘最大和最小地基净反力设计值(kPa);pjl、pjII 任意截面I-I、II-II处相应于荷载效应基本组合时的基础底面地基净反力设计值(kPa);az、bz——分别为平行于基础长边和短边的柱边长 (m);(七)绘制施工图(2号图纸一张)合理确定绘图比例(平面图1: 100、详图1: 20~1: 30)、图幅布置;符合《建筑制 图标准》三、参考文献1 .中华人民共和国国家标准.建筑地基基础设计规范(GB 50007-2002).北京:中国建 筑工业出版社,20022 .孙维东主编.土力学与地基基础.北京:机械工业出版社,20033 .中华人民共和国国家标准.砌体结构设计规范(GB50003-2001).北京:中国建筑工 业出版社,20024 .沈克仁王编.地基与基础.中国建筑工业出版社,1993四、设计实例1 .设计题目 某教学楼为四层钢筋混凝土框架结构, 采用柱下独立基础,柱网布置如图 4-7所示,在基础顶面处的相应于荷载效应标准组合,由上部结构传来的轴心荷载为 680kN, 弯矩值为80kN • m,水平荷载为10kN。
柱永久荷载效应起控制作用,柱截面尺寸为350mm x 500mm,试设计该基础图4-7柱网布置图2 .工程地质情况该地区地势平坦,无相邻建筑物,经地质勘察:持力层为粘性土( "b=0、”d=1.0),土的天然重度为18 kN/m3, fak =230kN/m2,地下水位在-7.5m处,无侵蚀性,标准冻深为 1.0m (根据地区而定)3 .基础设计⑴确定基础的埋置深度dd=Z0+200 = (1000 +200) mm=1200 mm根据GB50007-2002规定,将该独立基础设计成阶梯形,取基础高度为 650 mm,基础分二级,室内外高差300mm,如图4-8所示\ t图4-8基础高度和底板配筋示意⑵确定地基承载特征值fa假设b < 3m,因d=1.2m > 0,5m故只需对地基承载力特征值进行深度修正, fa = fak d m(d -0.5) - 230 1.0 18 1.2-0.5 kN/m2 = 242.6kN/m2⑶确定基础的底面面积-1.2 1.5m = 1.35mh 二 2Fk Pk_fa - " h680242.6 -18 1.35=3.11m2考虑偏心荷载影响,基础底面积初步扩大 12%,A、1.2A =1.2 3.11m2 =3,73m2取矩形基础长短边之比l/b=1.5,即l=1.5b于是取 b= 1.6 m 则 l=1.5b=2.4 mA= l x b=2.4X 1.6 m=3.84 m2⑷持力层强度验算作用在基底形心的竖向〃值、力矩值分别为Fk Gk =680kN Ah =(680 20 3.84 1.35)kN =783.68kNMk =M Vh =(80 10 0,65)kN m =86.5kN meg =MkFk Gk86.5 m = 0.11m /783.68 kmax PkminFk GkA6,、783.68( 6 M 0.111 士 l - 3.842.4kN /m2Pk< 1.2fa=1.2 x 242.6kN/m2=291.12kN/m2Pkmax Pkmin = 260.21 147.9%行2- -一一 2 1)柱边截面bz+2 h0=(0.35+2X 0.61)m=1.57m< b=1.6m1.6 0.352-0.61 m2=24.一”—0.61 1.62 2=0 . 5 4 38 mA2 =(bz hg hg=0.35 0.61 0.61m2 =0.5856m2F1 = A1pjmax =0.5438 314.83kN =171.2kN 0.7PhpftA2 =0.7 父1.0父1100M0.5856kN =450.91kN >F1 = 171.2kN 符合要求2)变阶处截面bz1+2 h01=(0.8+2 x 0.31)m=1.42m< b=1.6m2「,2.4 1.2 、 /1.6 0.8 fl 2= —————-0.31 1.6- —————-0.31 m22 2 2 22=0.4559mA2 = bz-h01 h01二 (0.8 0.31 0.31m22=0.3441m2F1 =A1Pjmax =0.4559 314.83kN =143.53kN07Php ftA2 =0.7父1.0父1100M0.3441kN =264.96kN >F1=143.53kN 符合要求⑹基础底板配筋计算1)计算基础的长边方向,I-I截面柱边地基净反力_ l azpjI 二 pjm i n 2l pj m a x_ pj m i163.32.4 0.52 2.42314.83-163.3 kN/m2= 254.85kN/m21 2Mi =48 l -az 2b bz pjmax pjI1 2= ——2.4 -0.5 2 1.6 0.35 314.83 254.85 kN m48= 152.1 kN mA Mi 152.1 106 2 2AsI mm = 1319.28mm0.9fyh0 0.9 210 610III-III 截面:pjiii—p j minl az12lpj maxpj min2.4 1.2 2=163.3 2 24 314.83-163.3 kN/m2一 一一 2=276.95kN / m2• ・ 1 . 2 ~ ,M III — qg 1 - az112b bz1 ;; Pjmax pjIII J=-2.4 -1.2 2 2 1.6 0.8 314.83 276.95 kN m 48Am= 71.01kNMm0.9 fyh。 m71.01 106 2二 mm0.9 210 310= 1211.98mm2在平行于 l方向1.6m宽度范围内配12 小 12@140比较Asi和Asiii ,应按 Asi配筋, (As=1356mm2>1319.28mm2)2)计算基础的短边方向,II-II截面Mii1 , 12 cl=——b -bz 2l +az48P jmax ' P jmin=工(1.6 -0.35 f(2x2.4+0.5 @14.83+163.3;kN m 48= 82.49kN mM II 82.49 106 2 2AsII = = mm = 715.5mm0.9fyh0 0.9 210 610IV-IV截面Miv1 1 , 2 一=~~ b - bz1 I 2 21 az1 pjmax pjmin481 2=—1.6 -0.8 2 2.4 1.2 314.83 163.3 kN m= 38.25kN mAs I V 二Ms1V 38.25 106 2 2业= mm2 = 652.84mm20.9 fyho 0.9 210 310比较Asii和Asiv,应按Asii配筋,但面积仍较小,故在平行于 b方向2.4m宽度范围内按构 造配 12 小 10@200 (As=942mm2>715.5mm2)。 7)绘制施工图 如图4-9所示。