九年级中考物理总复习3《透镜及其应用》
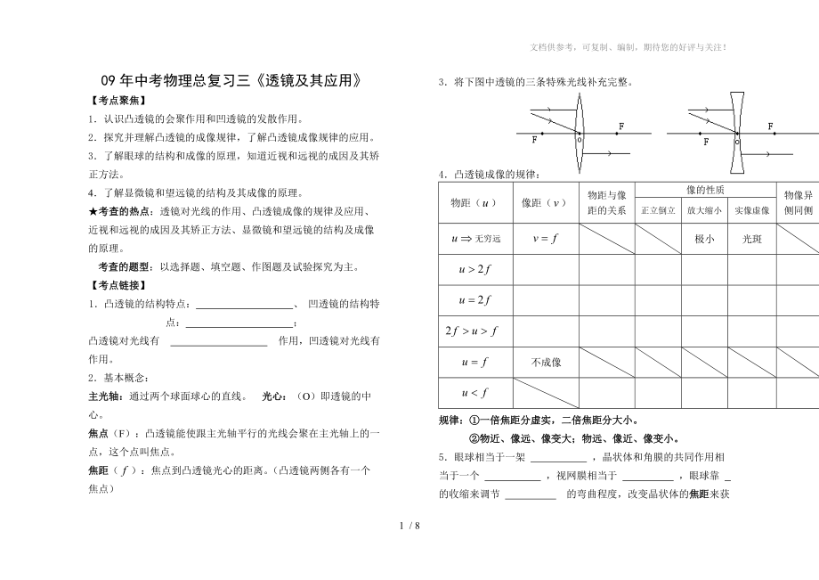
文档供参考,可复制、编制,期待您的好评与关注! 09年中考物理总复习三《透镜及其应用》【考点聚焦】1.认识凸透镜的会聚作用和凹透镜的发散作用2.探究并理解凸透镜的成像规律,了解凸透镜成像规律的应用3.了解眼球的结构和成像的原理,知道近视和远视的成因及其矫正方法4.了解显微镜和望远镜的结构及其成像的原理★考查的热点:透镜对光线的作用、凸透镜成像的规律及应用、近视和远视的成因及其矫正方法、显微镜和望远镜的结构及成像的原理考查的题型:以选择题、填空题、作图题及试验探究为主考点链接】1.凸透镜的结构特点: 、 凹透镜的结构特点: ;凸透镜对光线有 作用,凹透镜对光线有 作用2.基本概念:主光轴:通过两个球面球心的直线 光心:(O)即透镜的中心焦点(F):凸透镜能使跟主光轴平行的光线会聚在主光轴上的一点,这个点叫焦点焦距():焦点到凸透镜光心的距离凸透镜两侧各有一个焦点)3.将下图中透镜的三条特殊光线补充完整4.凸透镜成像的规律: 物距()像距()物距与像距的关系像的性质物像异侧同侧应 用正立倒立放大缩小实像虚像无穷远极小光斑测不成像平行光源规律:①一倍焦距分虚实,二倍焦距分大小。
②物近、像远、像变大;物远、像近、像变小5.眼球相当于一架 ,晶状体和角膜的共同作用相当于一个 ,视网膜相当于 ,眼球靠 的收缩来调节 的弯曲程度,改变晶状体的焦距来获得清晰的 、缩小的实像而普通照相机是在物距确定的情况下通过改变像距使像变得清晰6.近视眼的成因:晶状体太 或眼球在前后方向上过 ,物体成像在视网膜 矫正:佩戴 经行调节远视眼的成因:晶状体太 或眼球在前后方向上过 ,物体成像在视网膜 矫正:佩戴 经行调节7.由眼睛的调节作用所能看清的最远点,叫远点,正常眼的远点在 眼睛所能看清的最近的点,叫近点,正常眼的近点约距眼睛 看物体时间较长也不易感到疲劳的距离叫明视距离,正常眼的明视距离 8.显微镜和望远镜都是由 和 组成的。
显微镜望远镜的成像原理: 显微镜:物体位于物镜的 ,成 、 、的 像,该像有位于目镜的 ,成 、 、的 像望远镜:物体位于物镜的 ,成 、 、的 像,该像有位于目镜的 ,成 、 、的 像9.显微镜的物镜相当于 ,目镜相当于 ;望远镜的物镜所成的像虽然比原来的物体小,但它离我们的眼睛很近,再加上目镜的放大作用,视角就可以变得很大中考演练】一、选择题1.若把一个玻璃球分割成五块,其截面如图所示,再将这五块玻璃a、b、c、d、e分别放在太阳光下,那么能使光线发散的是 ( )A.a B.b C.c D.d 2.下列说法中正确的是 ( )A.投影仪的镜头相当于一个凸透镜 B.近视眼应配戴凸透镜制成的眼镜 C.借助放大镜看地图时,放大镜到地图的距离应大于焦距 D.人眼相当于一架照相机,物体能在视网膜上成正立、缩小的实像3.小星同学利用太阳光测量凸透镜的焦距,方法如下图所示。
他注意到让凸透镜正对阳光,但没有仔细调节纸片与透镜的距离,在纸片上的光斑并不是最小的时候,就测出了光斑到凸透镜中心的距离L,那么,凸透镜的实际焦距( )A.一定小于L B.一定大于LC.可能等于L D.可能小于L、也可能大于L4.关于凸透镜成像的正确说法是 ( ) A.只能成实像 B.不能成像C.只能成虚像 D.可以成实像或虚像5.物体到凸透镜距离等于凸透镜的2倍焦距,关于所成的像下列说法不正确的是 ( )A.到凸透镜距离等于2倍焦距 B.实像 C.缩小虚像 D.与物体大小相等6.下列叙述中的“影”,属于光的反射现象的是 ( ) A.立竿见“影” B.毕业合“影” C.湖中倒“影” D.形“影”不离7.蜡烛放在离凸透镜40cm的主光轴时,在透镜另一侧的光屏上得到清晰放大的像.若把蜡烛在原来位置向远离透镜方向移动40cm,则所成清晰的像—定是 ( )A.虚像 B.放大的 C.正立的 D.缩小的8.下列光路图中,正确的是 ( )9.凸透镜的焦距是12cm,将物体放在主轴上距透镜中心7cm处,物体所成的像是 ( )A.倒立、缩小的实像 B.倒立、放大的实像 C.正立、放大的虚像 D.正立、等大的虚像10.关于四种光学仪器的成像情况,下列说法中正确的是 ( )A.放大镜成正立、放大的实像 B.照相、机成正立、缩小的实像C.幻灯机成倒立、放大的实像 D.近视眼镜成正立、放大的虚像11.常见的视力缺陷有近视和远视.右图是一位视力缺陷人员的眼球成像示意图,他的视力缺陷类型及矫正视力需要配戴的透镜种类是 ( )A.远视眼,凸透镜 B.远视眼,凹透镜C.近视眼,凸透镜 D.近视眼,凹透镜12.小明在探究凸透镜成像规律时,保持凸透镜的位置不变,先后把蜡烛放在a、b、c、d四点并分别调整光屏的位置,如下图所示,探究后他总结出下列说法。
其中正确的是 ( )A.照像机是利用蜡烛放在a点的成像特点制成的 B.放大镜是利用蜡烛放在b点的成像特点制成的C.幻灯机是利用蜡烛放在d点的成像特点制成的D.蜡烛放在b点成的像比它放在c点成的像大13.下图所示的四幅小图中正确表示周倩同学远视眼成像情况和矫正做法的是 ( )A.②① B.①③ C.②④ D.③④14.一凸透镜的焦距是10cm,将点燃的蜡烛从离凸透镜50cm处移到15cm处的过程中,像的大小和像距的变化情况是 ( )A.像变大,像距变小 B.像变大,像距变大 C.像变小,像距变小 D.像变小,像距变大15.照相机拍摄近的景物后,再来拍摄远景,则应调节调焦环,使 ( )A.镜头向后缩,离胶片近一些 B.镜头往前伸,离胶片远一些C.镜头往前伸,离胶片近一些 D. 镜头向后缩,离胶片远一些16.用焦距为15cm的凸透镜做成像实验,为了在光屏上得到一个缩小的像,则该蜡烛应该放在距离多远处 ( )A.12cm B.17cm C.30cm D.32cm17.小宇用光具座研究凸透镜成像规律,移动蜡烛和光屏,在光屏上得到清晰的像,实验得到的物距、像距及成像情况如下表, 则该凸透镜焦距是 ( )A.小于7.5cm B.等于15cmC.等于10cm D.大于12cm18.四个透镜分别放在蜡烛前16cm处,结果是:甲透镜可成倒立缩小的像;乙透镜可成正立放大的像;丙透镜可成倒立放大的像,丁透镜可成正立缩小的像,其中焦距最小的透镜是( )A.甲 B.乙 C.丙 D.丁19.在2008年北京奥运会安保工作中将采用人脸识别系统,如下图,识别系统的摄像机可自动将镜头前lm处人脸拍摄成数码相片,通过信号线传递给计算机识别,摄像机的镜头 ( )A.相当于凸透镜,焦距可为0.1mB.相当于凹透镜,焦距可为0.1mC.相当于凸透镜,焦距可为0.5mD.相当于凸透镜,焦距可为0.6m20.以下物品中没有应用凸透镜成像原理的有 ( )A.照相机 B.投影仪 C.潜望镜 D.老花镜21.某班同学在“探究凸透镜成像规律”的实验中,记录并绘制了物体到凸透镜的距离u 跟像到凸透镜的距离v之间关系的图像,如图所示,下列判断正确的是 ( )A.该凸透镜的焦距是20cmB.当u=15cm时,在光屏上能得到一个缩小的像C.当u=25cm时成放大的像,投影仪就是根据这一原理制成的D.把物体从距凸透镜10cm处移动到30cm处的过程中,像逐渐变小22.物体距凸透镜20cm时,在距凸透镜35cm的另一侧光屏上得到清晰的像,则该像是 ( )A. 放大的 B. 缩小的 C. 等大的 D. 虚像二、填空题1.有以下五种光学镜子:A.平面镜、B.凸面镜、C.凹面镜、D.凸透镜、E.凹透镜。
其中对光线发生反射的有 ,对光线发生折射的有 ;对光线有发散作用的有 ,对光线有会聚作用的有 2.人的眼球相当于一个 ,晶状体和角膜的共同作用相当于一个 ,视网膜相当于 眼球和照相机不同的地方在于:照相机镜头的焦距是不变的,而眼球中的“凸透镜”的焦距是 3.在“研究凸透镜成像规律”的实验中:⑴在实验前,应先调节烛焰、凸透镜、光屏的中心大致在 ,其目的是为了 ⑵当蜡烛在凸透镜左侧距凸透镜20cm的时候,在光屏上得到一个倒立等大的实像,则凸透镜的焦距是 cm;当蜡烛再向凸透镜靠近5cm时,所成的像的性质是 、 的 像,利用此原理制成了 4.体育运动中,科研人员经常利用频闪摄影对运动员的动作进行分析指导频闪摄影就是摄影光源在有节奏的闪光时,从光源射出的光线照射到运动员身上发生 射,又通过摄影机前的 镜成 、 的 像。
频闪摄影时要求背景较 (填“亮”、“暗”)5.幻灯机的镜头相当于一个 ,透明的幻灯片到镜头的距离比镜头 稍大,用强光照射幻灯片,可以把幻灯片上的画面放映到 上,形成 、 的 像,为了使观众看到正立的像,幻灯片要 着放,平面镜的作用是 6.一次,小明在家写作业时在书桌的玻璃台板上面滴了一滴水,透过水滴看下去,他发现压在台板下面的动画图片上的文字变大了这是由于此时的水滴相当于一个 ,图片上的文字经过水滴折射后形成一个放大的 像(选填 “实”或“虚”)在圆形鱼缸中喂养着的鱼,看起来要比真实的鱼大,这是因为圆形鱼缸相当于一个 镜7.在森林里决不允许随地丢弃透明饮料瓶这是由于雨水进入饮料瓶后相当于一个 ,对太阳光有 作用,可能会导致森林火灾8.小明从家里找到一副眼镜,透过镜片观看邮票上的文字(如右图甲所示)则该眼镜是 眼镜,所成的是 像(选填‘‘虚”或“实”)。
小明将此镜片放在蜡烛和光屏之间,移动光屏,使烛焰在光屏上成清晰的像,然后在镜片前放置另一眼镜(如上图乙所示),光屏上的像变模糊了,向后移动光屏,像又清晰了此眼镜是 眼镜(选填“近视”或“远视”)三、作图题1.如下图所示,请根据光线的传播情况,在方框内画出合适的一个光学元件2.如下图所示,请根据光线的传播情况,在方框内分别画出不同的光学元件3.将下图中的光线补充完整四、实验探究题1.小刚同学要挑选一块焦距小于6cm的凸透镜他用实验对甲、乙、丙三块凸透镜进行测量,保持烛焰与凸透镜的距离为12cm不变,实验结果记录于表格中则可判断,_______凸透镜是小刚所需要的2.小刚同学用焦距为10cm的凸透镜做实验,实验装置示意图如下图所示,在实验过程中保持凸透镜的位置不变,请你根据所学知识完成下列填空1)改变蜡烛位置,使其位于20cm刻度线处,再移动光屏,使烛焰在光屏上成清晰倒立、 的实像选填:“放大”、“等大”或“缩小”)(2)改变蜡烛位置,使其位于35cm刻度线处,再移动光屏,使烛焰在光屏上成清晰 的实像选填:“倒立”或“正立”)(3)改变蜡烛位置,使其位于42cm刻度线处,小刚从透镜的右侧通过透镜可以看到一个正立、 的烛焰的像。
选填:“放大”、“等大”或“缩小)3.究研凸透镜成像”的实验中(l)将凸透镜正对太阳光,在透镜的另一侧移动光屏,在透镜10cm处,屏上呈现出最小最亮的光斑,则此凸透镜焦距约是 _____ cm (2)小莉同学做实验时,发现烛焰在光屏上的像偏高,若要使烛焰成像在光屏中心,只调节光屏,应将光屏向 _______ 调节;若只调节蜡烛,应将蜡烛向 ______(填“上”、“下”)调节3)若将烛焰移至距凸透镜 15cm 处,移动光屏,使烛焰在屏上得到倒立、_______ 清晰的实像,应用这一原理人们制成了 4.投影仪是常用的教学仪器,请运用所学的知识回答下列问题1)投影仪中镜头的作用是: ,平面镜的作用是: 2)要使成在屏幕上的清晰像变大些,应该 5. 小明在“探究凸透镜成像规律”实验中,用装有6个发光二极管的有方格的白纸板做发光物体,如图下甲所示又用这种有同样大小方格的白纸板做光屏将发光物体、凸透镜和光屏组装到光具座上并调整好。
1)当发光物体在a点时,如下图乙所示,在光屏上成的像如下图丙所示则光屏上的像是倒立、________ 的实像将发光物体由a点移动到b点,要想找到像的位置,应左右移动光屏,直到像____________ 为止2)用这种发光物体和光屏做实验,最主要的一条优点是优点: (3)如上图乙所示,当发光物体在a点时,物与像之间的距离为S1当发光物体在b点时,物与像之间的距离为S2,则S1 S2选填“>”、“=”或“<”)(4)若在实验过程中将凸透镜用纸板挡住一部分, 像的完整性和清晰度(填“影响”、 “不影响”),但像会变报 (填“亮”、“暗”)6.如下图甲所示,小华同学将凸透镜正对着太阳光线,凸透镜的另一侧放一张白纸,移动凸透镜,白纸上得到最小最亮的光斑,测出亮点到凸透镜光心的距离为30cm,接着把凸透镜、蜡烛、光屏安装在水平桌面上,如下图乙所示1)实验可知凸透镜的焦距为 2)实验时,小华把凸透镜、蜡烛、光屏放在一条直线上,点燃蜡烛,调整凸透镜和光屏,使它们的中心和 的中心大致在同一高度,这样做的目的是 。
3)使蜡烛沿主轴远离凸透镜,仍要在光屏上得到清晰的像,则光屏应向 (填“远离”或“靠近”)凸透镜的方向移动4)水平桌面的长度约90cm,在实验过程中可能遇到的问题是: 5)如上图所示的情景表明, 因素影响像的正倒7.某小组同学在做“验证凸透镜成像规律”实验的过程中发现:当发光物体与光屏之间的距离L确定时,将凸透镜从发光物体处缓慢向光屏移动的过程中,有时能在光屏上成两次清晰的像,有时只能成一次清晰的像,有时不能在光屏上成像为了研究产生这些现象的条件,该小组同学进行实验,并将每次实验中的相关数据及现象记录在下表中凸透镜焦距f实验序号物屏距离L(cm)第一次成像第二次成像物距u(cm)像距v(cm)像的 大小物距u(cm)相距v(cm)像的 大小10cm1491435放大3514缩小2451530放大3015缩小3402020等大光屏上不能第二次成像435不能在光屏上成像15cm5802060放大6020缩小6642440放大4024缩小7603030等大光屏上不能第二次成像855不能在光屏上成像(1)分析比较实验序号1、2、3(或5、6、7)的第一次成像数据中像距v物距u的变化关系及相关条件,可得出的结论: ;(2)分析比较实验序号1(或2、或5、或6)的第一和第二次成像数据中物距与像距的关系及相关条件,可得出的结论:同一凸透镜,当 一定时,移动凸透镜能在光屏上成两次像;(3)继续分析和比较表格中物屏距离L与凸透镜焦距f的数据及观察到的实验现象,可得出的结论:在 条件下,移动凸透镜,可以在光屏上得到一次放大的像和一次缩小的像。
8.如下图示为观察凸透镜成像的实验,据此回答下列问题1)当物体在A区时,所成的像在 _____区,像是多或少 ______、______的 _____像2)若光屏在F区时,光屏上呈现清晰的像,则物体应位于____区,此时像与物的方向 _____(填“相同”或“相反”),物的大小______(填“大于”或“小于”)像的大小3)当物体位于C区时,所成的像位于 _____区、_____区或 _____区,此时的像是 ____像填“虚”或“实”)(4)要想在B区得到像,物体可以放在 _____区或 _____区5)要想在C区得到像,物体应放在_____区,此时像距 ______(填“大于”或“小于”)物距8 / 8。




