当前位置
:
首页
>
汽车/机械/制造
>
CAD/CAE/CAM
搜柄,搜必应!
快速导航
|
使用教程
[
会员中心
]
首页
资料库
VIP会员
APP下载
上传文档
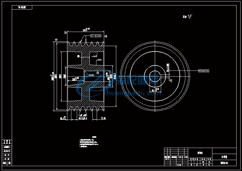
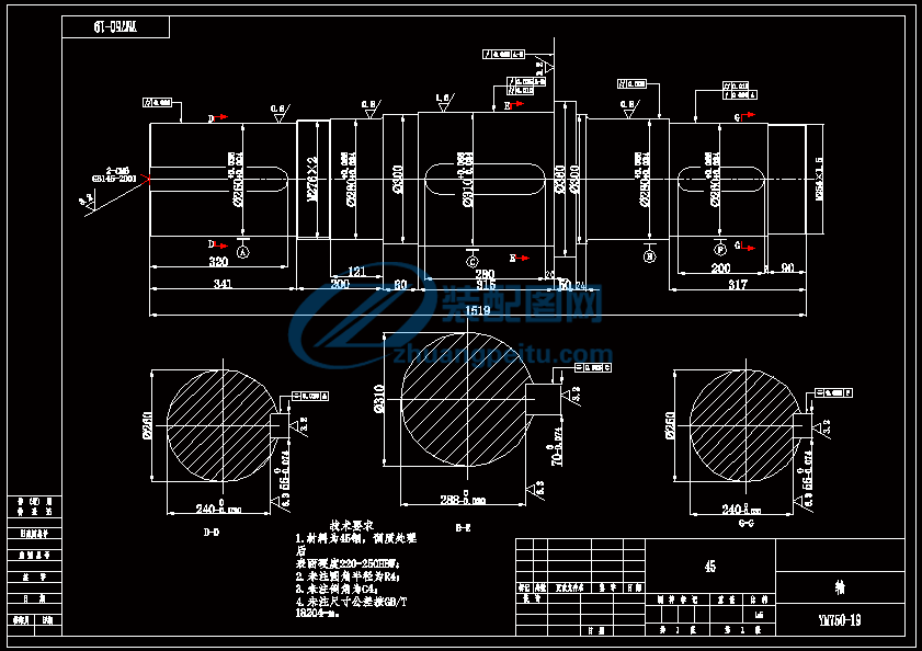
750对辊式压密机设计【全套含CAD图纸】
文档格式:ZIP
|
大小 1.32MB
|
积分 50
|
2019-02-28 发布
|
文档ID:518288
下载文档
版权提示
文本预览
常见问题
点击
阅读更多内容
最新文档
2025届高三化学二轮复习 视角分析工艺流程试题课件.pptx
2025年高考思想政治二轮复习备考策略讲座.pptx
某工厂制作部班长职位说明书.docx
XXX单位安全标准化自评管理制度.docx
XX公司人事奖励与处分制度.docx
生产岗位职责:质管科科长、计检员、质检员.docx
暑假教师培训心得培训内容简介.pptx
XXX公司事故应急救援管理制度.docx
某公司职前教育管理办法.docx
某公司领导带班与值班安全管理制度.docx
员工晋升推荐表.docx
抗日战争暨世界反法西斯战争胜利80周年在新时代继承和弘扬伟大抗战精神.pptx
某公司法律法规和其他要求管理制度.docx
新时代幼儿园教师职业行为十项准则.pptx
某公司隐患排查治理建档监控制度.docx
安全管理规章制度评审和修订管理制度.docx
某公司作业环境安全管理制度.docx
生产部经理及生产科科长的岗位职责.docx
某工厂生产部厂长职位说明书.docx
员工反馈调查样本.docx
卖家
[上传人]:
机械类毕业设计
资质:实名认证
收藏店铺
投诉卖家
相关文档
正为您匹配相似的精品文档
最近下载
检维修安全管理制度.docx
廉政党课PPT课件含讲稿:年轻干部违纪违法案例警示教育.pptx
Line6POD2.0的中文说明书解读.docx
市政技术交底大全(共264页).doc
云南省暴雨洪水查算实用手册簿92年版(正式版).doc
风机叶片防覆冰技术研究.ppt
某金铜矿凿岩台车招标文件.doc
【G05交通路桥规范】GBT26941.2-2011 隔离栅 第2部分:立柱、斜撑和门.pdf
QQ咨询
微信客服
返回顶部