数字电子技术基础期末考试试卷及-答案
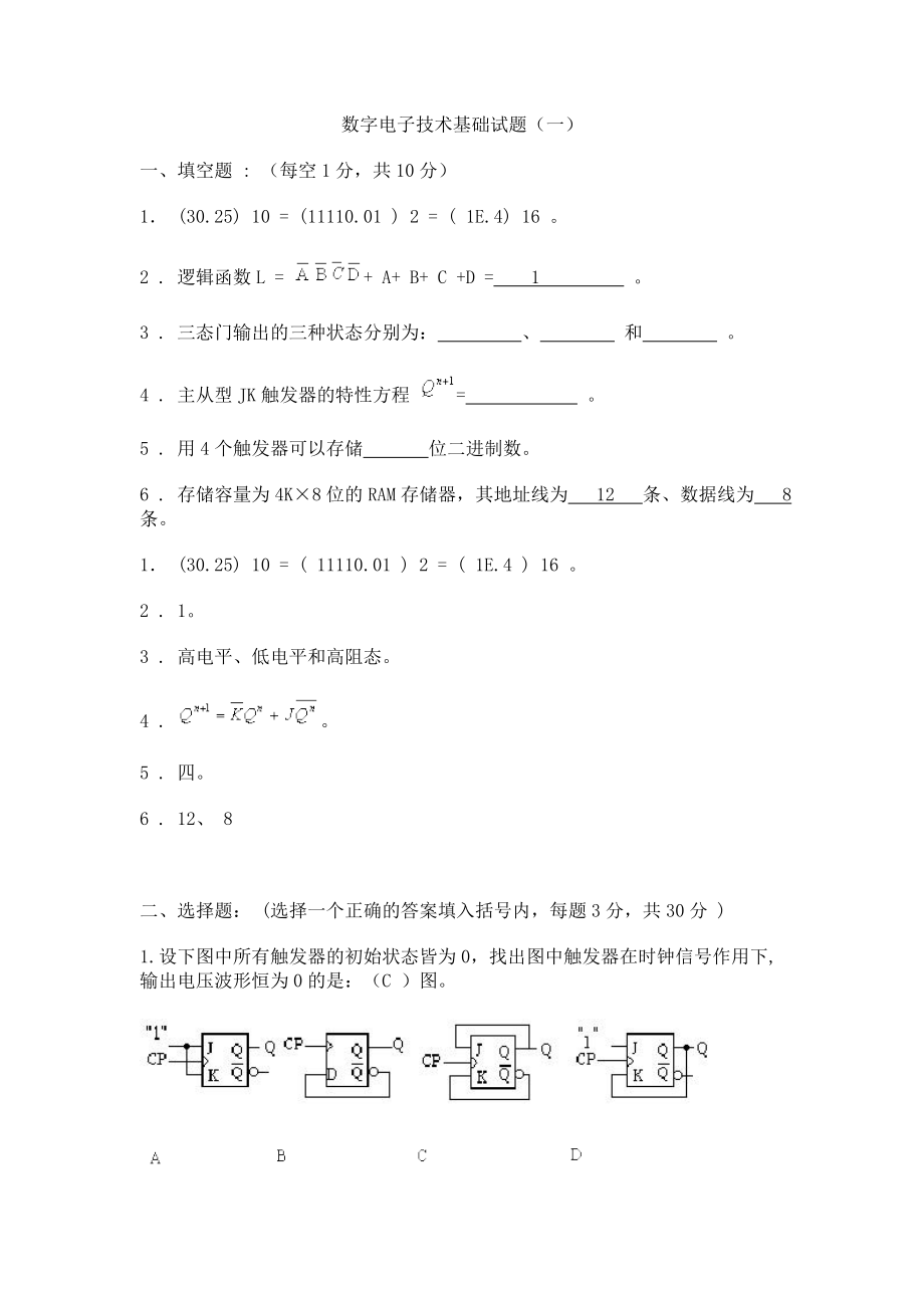
数字电子技术基础试题(一) 一、填空题 : (每空1分,共10分) 1. (30.25) 10 = (11110.01 ) 2 = ( 1E.4) 16 2 . 逻辑函数L = + A+ B+ C +D = 1 3 . 三态门输出的三种状态分别为: 、 和 4 . 主从型JK触发器的特性方程 = 5 . 用4个触发器可以存储 位二进制数 6 . 存储容量为4K×8位的RAM存储器,其地址线为 12 条、数据线为 8 条 1. (30.25) 10 = ( 11110.01 ) 2 = ( 1E.4 ) 16 2 . 1 3 . 高电平、低电平和高阻态 4 . 5 . 四 6 . 12、 8 二、选择题: (选择一个正确的答案填入括号内,每题3分,共30分 ) 1.设下图中所有触发器的初始状态皆为0,找出图中触发器在时钟信号作用下,输出电压波形恒为0的是:(C )图 2.下列几种TTL电路中,输出端可实现线与功能的电路是( D) A、或非门 B、与非门 C、异或门 D、OC门 3.对CMOS与非门电路,其多余输入端正确的处理方法是(D )。
A、 通过大电阻接地(>1.5KΩ) B、悬空 C、通过小电阻接地(<1KΩ)B、 D、通过电阻接V CC 4.图2所示电路为由555定时器构成的(A ) A、施密特触发器 B、多谐振荡器 C、单稳态触发器 D、T触发器 5.请判断以下哪个电路不是时序逻辑电路(C ) A、计数器 B、寄存器 C、译码器 D、触发器 6.下列几种A/D转换器中,转换速度最快的是(A ) A、 并行A/D转换器 B、计数型A/D转换器 C、逐次渐进型A/D转换器B、 D、双积分A/D转换器 7.某电路的输入波形 u I 和输出波形 u O 如下图所示,则该电路为( C) A、施密特触发器 B、反相器 C、单稳态触发器 D、JK触发器 8.要将方波脉冲的周期扩展10倍,可采用(C ) A、 10级施密特触发器 B、10位二进制计数器 C、十进制计数器 B、 D、10位D/A转换器 9、已知逻辑函数 与其相等的函数为( D) A、 B、 C、 D、 10、一个数据选择器的地址输入端有3个时,最多可以有( C)个数据信号输出 A、4 B、6 C、8 D、16 三、逻辑函数化简 (每题5分,共10分) 1、用代数法化简为最简与或式 Y= A + 2、用卡诺图法化简为最简或与式 Y= + C +A D,约束条件:A C + A CD+AB=0 四、分析下列电路。
(每题6分,共12分) 1、写出如图1所示电路的真值表及最简逻辑表达式 图 1 2、写出如图2所示电路的最简逻辑表达式 图 2 五、判断如图3所示电路的逻辑功能若已知 u B =-20V,设二极管为理想二极管,试根据 u A 输入波形,画出 u 0 的输出波形 (8分) t 图3六、用如图 4所示的8选1数据选择器CT74LS151实现下列函数8分) Y(A,B,C,D)=Σm(1,5,6,7,9,11,12,13,14) 图 4七、用 4位二进制计数集成芯片CT74LS161采用两种方法实现模值为10的计数器,要求画出接线图和全状态转换图CT74LS161如图5所示,其LD端为同步置数端,CR为异步复位端)10分) 图 5 八、电路如图 6所示,试写出电路的激励方程,状态转移方程,求出Z 1 、Z 2 、Z 3 的输出逻辑表达式,并画出在CP脉冲作用下,Q 0 、Q 1 、Z 1 、Z 2 、Z 3 的输出波形 (设 Q 0 、Q 1 的初态为0 (12分) 数字电子技术基础试题(一)参考答案 一、填空题 : 1. (30.25) 10 = ( 11110.01 ) 2 = ( 1E.4 ) 16 。
2 . 1 3 . 高电平、低电平和高阻态 4 . 5 . 四 6 . 12、 8 二、选择题: 1.C 2.D 3.D 4.A 5.C 6.A 7.C 8.C 9.D 10.C 三、逻辑函数化简 1、Y=A+B 2、用卡诺图圈0的方法可得:Y=( +D)(A+ )( + ) 四、 1、 该电路为三变量判一致电路,当三个变量都相同时输出为1,否则输出为0 2、 B =1, Y = A , B =0 Y 呈高阻态 五、 u 0 = u A · u B ,输出波形 u 0 如图 10所示: 图 10 六、如图 11所示: D 图11 七、接线如图 12所示: 图 12 全状态转换图如图 13 所示: ( a ) ( b ) 图 13 八、 , , 波形如图 14所示: 。




