建筑设计防火规范--民用建筑_3031

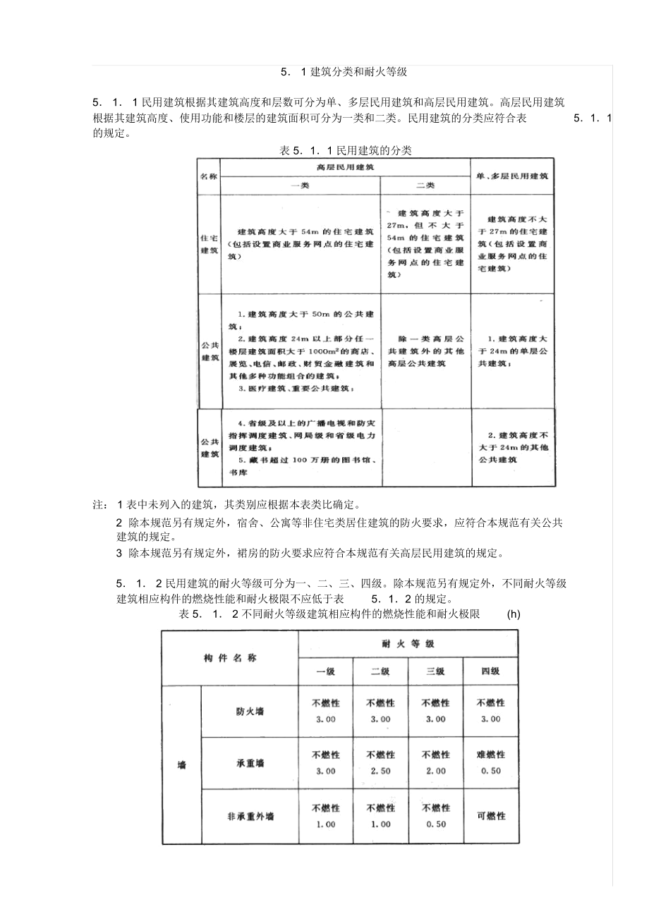
5. 1 建筑分类和耐火等级5. 1. 1 民用建筑根据其建筑高度和层数可分为单、多层民用建筑和高层民用建筑高层民用建筑根据其建筑高度、使用功能和楼层的建筑面积可分为一类和二类民用建筑的分类应符合表5.1.1的规定表 5.1.1 民用建筑的分类注: 1 表中未列入的建筑,其类别应根据本表类比确定2 除本规范另有规定外,宿舍、公寓等非住宅类居住建筑的防火要求,应符合本规范有关公共建筑的规定3 除本规范另有规定外,裙房的防火要求应符合本规范有关高层民用建筑的规定5. 1. 2 民用建筑的耐火等级可分为一、二、三、四级除本规范另有规定外,不同耐火等级建筑相应构件的燃烧性能和耐火极限不应低于表 5.1.2 的规定表 5. 1. 2 不同耐火等级建筑相应构件的燃烧性能和耐火极限 (h)注: 1 除本规范另有规定外,以木柱承重且墙体采用不燃材料的建筑,其耐火等级应按四级确定2 住宅建筑构件的耐火极限和燃烧性能可按现行国家标准《住宅建筑规范》 GB 50368 的规定执行5. 1. 3 民用建筑的耐火等级应根据其建筑高度、使用功能、重要性和火灾扑救难度等确定,并应符合下列规定:1 地下或半地下建筑 ( 室) 和一类高层建筑的耐火等级不应低于一级;2 单、多层重要公共建筑和二类高层建筑的耐火等级不应低于二级。
5. 1. 4 建筑高度大于 100m的民用建筑,其楼板的耐火极限不应低于2. 00h一、二级耐火等级建筑的上人平屋顶,其屋面板的耐火极限分别不应低于1.50h 和1. 00h5. 1. 5 一、二级耐火等级建筑的屋面板应采用不燃材料屋面防水层宜采用不燃、难燃材料,当采用可燃防水材料且铺设在可燃、难燃保温材料上时,防水材料或可燃、难燃保温材料应采用不燃材料作防护层5. 1. 6 二级耐火等级建筑内采用难燃性墙体的房间隔墙,其耐火极限不应低于 0. 75h;当房间的建筑面积不大于 100m2 时,房间隔墙可采用耐火极限不低于 0. 50h 的难燃性墙体或耐火极限不低于0. 30h 的不燃性墙体二级耐火等级多层住宅建筑内采用预应力钢筋混凝土的楼板, 其耐火极限不应低于 0.75h5. 1. 7 建筑中的非承重外墙、房间隔墙和屋面板,当确需采用金属夹芯板材时,其芯材应为不燃材料,且耐火极限应符合本规范有关规定5. 1. 8 二级耐火等级建筑内采用不燃材料的吊顶,其耐火极限不限三级耐火等级的医疗建筑、中小学校的教学建筑、老年人建筑及托儿所、幼儿园的儿童用房和儿童游乐厅等儿童活动场所的吊顶,应采用不燃材料;当采用难燃材料时,其耐火极限不应低于 0. 25h。
二、三级耐火等级建筑内门厅、走道的吊顶应采用不燃材料5. 1. 9 建筑内预制钢筋混凝土构件的节点外露部位,应采取防火保护措施,且节点的耐火极限不应低于相应构件的耐火极限5. 2 总平面布局5. 2. 1 在总平面布局中,应合理确定建筑的位置、防火间距、消防车道和消防水源等,不宜将民用建筑布置在甲、乙类厂 ( 库) 房,甲、乙、丙类液体储罐,可燃气体储罐和可燃材料堆场的附近5. 2. 2 民用建筑之间的防火间距不应小于表 5. 2. 2 的规定,与其他建筑的防火间距,除应符合本节规定外,尚应符合本规范其他章的有关规定表 5. 2. 2 民用建筑之间的防火间距 (m)注: 1 相邻两座单、多层建筑,当相邻外墙为不燃性墙体且无外露的可燃性屋檐,每面外墙上无防火保护的门、窗、洞口不正对开设且该门、窗、洞口的面积之和不大于外墙面积的 5%时,其防火间距可按本表的规定减少 25%2 两座建筑相邻较高一面外墙为防火墙,或高出相邻较低一座一、二级耐火等级建筑的屋面15m及以下范围内的外墙为防火墙时,其防火间距不限3 相邻两座高度相同的一、二级耐火等级建筑中相邻任一侧外墙为防火墙,屋顶的耐火极限不低于 1. 00h 时,其防火间距不限。
4 相邻两座建筑中较低一座建筑的耐火等级不低于二级, 相邻较低一面外墙为防火墙且屋顶无天窗,顶的耐火极限不低于 1. 00h 时,其防火间距不应小于 3. 5m;对于高层建筑,不应小于 4m屋5 相邻两座建筑中较低一座建筑的耐火等级不低于二级且屋顶无天窗,相邻较高一面外墙高出较低一座建筑的屋面 15m及以下范围内的开口部位设置甲级防火门、窗,或设置符合现行国家标准《自动喷水灭火系统设 计规范》 GB 50084 规定的防火分隔水幕或本规范第火间距不应小于 3. 5m;对于高层建筑,不应小于 4m6.5.3 条规定的防火卷帘时,其防6 相邻建筑通过连廊、天桥或底部的建筑物等连接时,其间距不应小于本表的规定7 耐火等级低于四级的既有建筑,其耐火等级可按四级确定5. 2. 3 民用建筑与单独建造的变电站的防火间距应符合本规范第 3. 4.1 条有关室外变、配电站的规定,但与单独建造的终端变电站的防火间距,可根据变电站的耐火等级按本规范第 5.2.2 条有关民用建筑的规定确定民用建筑与 10kV 及以下的预装式变电站的防火间距不应小于 3m民用建筑与燃油、燃气或燃煤锅炉房的防火间距应符合本规范第 3. 4. 1 条有关丁类厂房的规定,但与单台蒸汽锅炉的蒸发量不大于 4t /h 或单台热水锅炉的额定热功率不大于 2.8MW的燃煤锅炉房的防火间距,可根据锅炉房的耐火等级按本规范第 5.2. 2 条有关民用建筑的规定确定。
5. 2. 4 除高层民用建筑外,数座一、二级耐火等级的住宅建筑或办公建筑,当建筑物的占地面积2总和不大于 2500m 时,可成组布置,但组内建筑物之间的间距不宜小于 4m组与组或组与相邻建筑物的防火间距不应小于本规范第 5.2. 2 条的规定5. 2. 5 民用建筑与燃气调压站、液化石油气气化站等的防火间距,应符合《城镇燃气设计规范》GB 50028 的规定5.2.6 建筑高度大于 100m的民用建筑与相邻建筑的防火间距 当符合本规范第 3.4.5 条、第 3.5.3条、第 4. 2. 1 条和第 5. 2. 2 条允许减小的条件时,仍不应减小5.3 防火分区和层数5. 3. 1 除本规范另有规定外,不同耐火等级建筑的允许建筑高度或层数、防火分区最大允许建筑面积应符合表 5. 3. 1 的规定表 5. 3. 1 不同耐火等级建筑的允许建筑高度或层数、防火分区最大允许建筑面积注: 1增加 1.0表中规定的防火分区最大允许建筑面积,当建筑内设置自动灭火系统时,可按本表的规定倍;局部设置时,防火分区的增加面积可按该局部面积的 1.0 倍计算2 裙房与高层建筑主体之间设置防火墙时,裙房的防火分区可按单、多层建筑的要求确定。
5. 3. 2 建筑内设置自动扶梯、敞开楼梯等上、下层相连通的开口时,其防火分区的建筑面积应按上、下层相连通的建筑面积叠加计算;当叠加计算后的建筑面积大于本规范第 5.3.1 条的规定时,应划分防火分区建筑内设置中庭时,其防火分区的建筑面积应按上、下层相连通的建筑面积叠加计算;当叠加计算后的建筑面积大于本规范第 5.3.1 条的规定时,应符合下列规定:1 与周围连通空间应进行防火分隔:采用防火隔墙时,其耐火极限不应低于 1.00h;采用防火玻璃墙时,其耐火隔热性和耐火完整性不应低于 1. 00h采用耐火完整性不低于 1.00h 的非隔热性防火玻璃墙时,应设置自动喷水灭火系统进行保护;采用防火卷帘时,其耐火极限不应低于3. 00h,并应符合本规范第 6.5. 3 条的规定;与中庭相连通的门、窗,应采用火灾时能自行关闭的甲级防火门、窗;2 高层建筑内的中庭回廊应设置自动喷水灭火系统和火灾自动报警系统;3 中庭应设置排烟设施; 4 中庭内不应布置可燃物5. 3. 3 防火分区之间应采用防火墙分隔,确有困难时,可采用防火卷帘等防火分隔设施分隔采用防火卷帘分隔时,应符合本规范第 6.5. 3 条的规定。
5. 3. 4 一、二级耐火等级建筑内的商店营业厅、展览厅,当设置自动灭火系统和火灾自动报警系统并采用不燃或难燃装修材料时,其每个防火分区的最大允许建筑面积应符合下列规定:1设置在高层建筑内时,不应大于4000m2;10000m2;2设置在单层建筑或仅设置在多层建筑的首层内时,不应大于3设置在地下或半地下时,不应大于22000m5. 3. 5 总建筑面积大于 20000m2 的地下或半地下商店,应采用无门、窗、洞口的防火墙、耐火极限不低于 2. 00h 的楼板分隔为多个建筑面积不大于 20000m2 的区域相邻区域确需局部连通时,应采用下沉式广场等室外开敞空间、防火隔间、避难走道、防烟楼梯间等方式进行连通,并应符合下列规定:1 下沉式广场等室外开敞空间应能防止相邻区域的火灾蔓延和便于安全疏散,并应符合本规范第 6. 4. 12 条的规定;2 防火隔间的墙应为耐火极限不低于 3. 00h 的防火隔墙,并应符合本规范第 条;3 避难走道应符合本规范第 6.4.14 条的规定;4 防烟楼梯间的门应采用甲级防火门5. 3. 6 餐饮、商店等商业设施通过有顶棚的步行街连接,且步行街两侧的建筑需利用步行街进行安全疏散时,应符合下列规定:1 步行街两侧建筑的耐火等级不应低于二级。
2 步行街两侧建筑相对面的最近距离均不应小于本规范对相应高度建筑的防火间距要求且不应小于 9m步行街的端部在各层均不宜封闭,确需封闭时,应在外墙上设置可开启的门窗,且可开启门窗的面积不应小于该部位外墙面积的一半步行街的长度不宜大于 300m3 步行街两侧建筑的商铺之间应设置耐火极限不低于2.00h 的防火隔墙,每间商铺的建筑面积不宜大于 300m24 步行街两侧建筑的商铺,其面向步行街一侧的围护构件的耐火极限不应低于 1. 00h,并宜采用实体墙,其门、窗应采用乙级防火门、窗;当采用防火玻璃墙 ( 包括门、窗 ) 时,其耐火隔热性和耐火完整性不应低于 1.00h;当采用耐火完整性不低于 1.00h 的非隔热性防火玻璃墙 ( 包括门、窗 ) 时,应设置闭式自动喷水灭火系统进行保护相邻商铺之间面向步行街一侧应设置宽度不小于1. 0m、耐火极限不低于 1.00h 的实体墙当步行街两侧的建筑为多个楼层时,每层面向步行街一侧的商铺均应设置防止火灾竖向蔓延的措施,并应符合本规范第 6. 2.5 条的规定;设置回廊或挑檐时,其出挑宽度不应小于 1.2m;步行街两侧的商铺在上部各层需设置回廊和连接天桥时,应保证步行街上部各层楼板的开口面积不应小于步行街地面面积的 37%,且开口宜均匀布置。
5 步行街两侧建筑内的疏散楼梯应靠外墙设置并宜直通室外,确有困难时,可在首层直接通至步行街;首层商铺的疏散门可直接通至步行街,步行街内任一点到达最近室外安全地点的步行距离不应大于 60m步行街两侧建筑二层及以上各层商铺的疏散门至该层最近疏散楼梯口或其他安全出口的直线距离不应大于 37.5m6步行街的顶棚材料应采用不燃或难燃材料,其承重结构的耐火极限不应低于1. 00h7步行街的顶棚下檐距地面的高度不应小于6.0m,顶棚应设置自然排烟设施并宜采用常开式的排烟口,且自然排烟口的有效面积不应小于步行街地面面积的25%常闭式自然排烟设施应能在火灾时手动和自动开启步行街内不应布置可燃物8步行街两侧建筑的商铺外应每隔30m设置 DN65的消火栓,并应配备消防软管卷盘或消防水龙,商铺内应设置自动喷水灭火系统和火灾自动报警系统;每层回廊均应设置自动喷水灭火系统步行街内宜设置自动跟踪定位射流灭火系统9 步行街两侧建筑的商铺内外均应设置疏散照明、灯光疏散指示标志和消防应急广播系统5.4 平面布置5. 4. 1 民用建筑的平面布置应结合建筑的耐火等级、火灾危险性、使用功能和安全疏散等因素合理布置5. 4. 2 除为满足民用建筑使用功能所设置的附属库房外。
民用建筑内不应设置生产车间和其他库房经营、存放和使用甲、乙类火灾危险性物品的商店、作坊和储藏间,严禁附设在民用建筑内5.4.3 商店建筑、展览建筑采用三级耐火等级建筑时,不应超过 2 层;采用四级耐火等级建筑时,应为单层营业厅、展览厅设置在三级耐火等级的建筑内时,应布置在首层或二层;设置在四级耐火等级的建筑内时,应布置在首层营业厅、展览厅不应设置在地下三层及以下楼层地下或半地下营业厅、展览厅不应经营、储存和展示甲、乙类火灾危险性物品5. 4. 4 托儿所、幼儿园的儿童用房,老年人活动场所和儿童游乐厅等儿童活动场所宜设置在独立的建筑内,且不应设置在地下或半地下;当采用一、二级耐火等级的建筑时,不应超过 3 层;采用三级耐火等级的建筑时,不应超过 2 层;采用四级耐火等级的建筑时,应为单层;确需设置在其他民用建筑内时,应符合下列规定:1 设置在一、二级耐火等级的建筑内时,应布置在首层、二层或三层;2 设置在三级耐火等级的建筑内时,应布置在首层或二层;3 设置在四级耐火等级的建筑内时,应布置在首层;4 设置在高层建筑内时,应设置独立的安全出口和疏散楼梯;单、多层建筑内时,宜设置5. 4.5医院和疗养院的住院部分不应设置在地下或半地下。
医院和疗养院的住院部分采用三级耐火等级建筑时, 不应超过 2 层;采用四级耐火等级建筑时,应为单层;设置在三级耐火等级的建筑内时,应布置在首层或二层;设置在四级耐火等级的建筑内时,应布置在首层医院和疗养院的病房楼内相邻护理单元之间应采用耐火极限不低于 2. 00h 的防火隔墙分隔,隔墙上的门应采用乙级防火门,设置在走道上的防火门应采用常开防火门5. 4. 6 教学建筑、食堂、菜市场采用三级耐火等级建筑时,不应超过 2 层;采用四级耐火等级建筑时,应为单层;设置在三级耐火等级的建筑内时,应布置在首层或二层;设置在四级耐火等级的建筑内时,应布置在首层5. 4. 7 剧场、电影院、礼堂宜设置在独立的建筑内;采用三级耐火等级建筑时,不应超过 2 层;确需设置在其他民用建筑内时,至少应设置 1 个独立的安全出口和疏散楼梯,并应符合下列规定:1 应采用耐火极限不低于 2. 00h 的防火隔墙和甲级防火门与其他区域分隔2 设置在一、二级耐火等级的建筑内时,观众厅宜布置在首层、二层或三层;确需布置在四层及以上楼层时,一个厅、室的疏散门不应少于 2 个,且每个观众厅的建筑面积不宜大于 400m23 设置在三级耐火等级的建筑内时,不应布置在三层及以上楼层。
4 设置在地下或半地下时,宜设置在地下一层,不应设置在地下三层及以下楼层5 设置在高层建筑内时,应设置火灾自动报警系统及自动喷水灭火系统等自动灭火系统5. 4. 8 建筑内的会议厅、多功能厅等人员密集的场所,宜布置在首层、二层或三层设置在三级耐火等级的建筑内时,不应布置在三层及以上楼层确需布置在一、二级耐火等级建筑的其他楼层时,应符合下列规定:1 一个厅、室的疏散门不应少于2 个,且建筑面积不宜大于2400m;2 设置在地下或半地下时,宜设置在地下一层,不应设置在地下三层及以下楼层;3 设置在高层建筑内时,应设置火灾自动报警系统和自动喷水灭火系统等自动灭火系统5.4.9 歌舞厅、录像厅、夜总会、卡拉 OK厅 ( 含具有卡拉 OK功能的餐厅 ) 、游艺厅 ( 含电子游艺厅 ) 、桑拿浴室 ( 不包括洗浴部分 ) 、网吧等歌舞娱乐放映游艺场所 ( 不含剧场、电影院 ) 的布置应符合下列或燃气锅炉可设置在地下二层或屋顶上设置在屋顶上的常出口不应小于 6m规定:1 不应布置在地下二层及以下楼层;2 宜布置在一、二级耐火等级建筑内的首层、二层或三层的靠外墙部位;3 不宜布置在袋形走道的两侧或尽端;4确需布置在地下一层时,地下一层的地面与室外出入口地坪的高差不应大于10m;5确需布置在地下或四层及以上楼层时,一个厅、室的建筑面积不应大于200m2;6厅、室之间及与建筑的其他部位之间, 应采用耐火极限不低于 2.00h 的防火隔墙和 1.00h的不燃性楼板分隔,设置在厅、室墙上的门和该场所与建筑内其他部位相通的门均应采用乙级防火门。
5. 4. 10 除商业服务网点外,住宅建筑与其他使用功能的建筑合建时,应符合下列规定:1 住宅部分与非住宅部分之间,应采用耐火极限不低于 2.00h 且无门、窗、洞口的防火隔墙和 1.50h 的不燃性楼板完全分隔;当为高层建筑时,应采用无门、窗、洞口的防火墙和耐火极限不低于 2.00h 的不燃性楼板完全分隔 建筑外墙上、下层开口之间的防火措施应符合本规范第 6.2.5条的规定2 住宅部分与非住宅部分的安全出口和疏散楼梯应分别独立设置;为住宅部分服务的地上车库应设置独立的疏散楼梯或安全出口,地下车库的疏散楼梯应按本规范第 6. 4. 4 条的规定进行分隔3 住宅部分和非住宅部分的安全疏散、防火分区和室内消防设施配置,可根据各自的建筑高度分别按照本规范有关住宅建筑和公共建筑的规定执行;该建筑的其他防火设计应根据建筑的总高度和建筑规模按本规范有关公共建筑的规定执行5. 4. 11 设置商业服务网点的住宅建筑,其居住部分与商业服务网点之间应采用耐火极限不低于2. 00h 且无门、窗、洞口的防火隔墙和 1. 50h 的不燃性楼板完全分隔,住宅部分和商业服务网点部分的安全出口和疏散楼梯应分别独立设置。
商业服务网点中每个分隔单元之间应采用耐火极限不低于 2.00h 且无门、 窗、洞口的防火2每个分隔单元内的任一点至最近直通室外的出口的直线距离不应大于本规范表 5.5.17 中有关多层其他建筑位于袋形走道两侧或尽端的疏散门至最近安全出口的最大直线距离注:室内楼梯的距离可按其水平投影长度的 1. 50 倍计算5.4.12 燃油或燃气锅炉、油浸变压器、充有可燃油的高压电容器和多油开关等,宜设置在建筑外的专用房间内;确需贴邻民用建筑布置时,应采用防火墙与所贴邻的建筑分隔,且不应贴邻人员密集场所,该专用房间的耐火等级不应低于二级;确需布置在民用建筑内时,不应布置在人员密集场所的上一层、下一层或贴邻,并应符合下列规定:1 燃油或燃气锅炉房、变压器室应设置在首层或地下一层的靠外墙部位,但常 ( 负 ) 压燃油( 负 ) 压燃气锅炉,距离通向屋面的安全采用相对密度 ( 与空气密度的比值 ) 不小于 0. 75 的可燃气体为燃料的锅炉,不得设置在地下或半地下2 锅炉房、变压器室的疏散门均应直通室外或安全出口3锅炉房、变压器室等与其他部位之间应采用耐火极限不低于2.00h 的防火隔墙和 1.50h的不燃性楼板分隔。
在隔墙和楼板上不应开设洞口,确需在隔墙上设置门、窗时,应采用甲级防火门、窗34锅炉房内设置储油间时, 其总储存量不应大于 1m,且储油间应采用耐火极限不低于 3.00h的防火隔墙与锅炉间分隔;确需在防火隔墙上设置门时,应采用甲级防火门5变压器室之间、变压器室与配电室之间,应设置耐火极限不低于2. 00h 的防火隔墙6 油浸变压器、多油开关室、高压电容器室,应设置防止油品流散的设施油浸变压器下面应设置能储存变压器全部油量的事故储油设施7 应设置火灾报警装置8 应设置与锅炉、变压器、电容器和多油开关等的容量及建筑规模相适应的灭火设施,当建筑内其他部位设置自动喷水灭火系统时,应设置自动喷水灭火系统9 锅炉的容量应符合现行国家标准《锅炉房设计规范》GB 50041 的规定油浸变压器的总容量不应大于 1260kV·A,单台容量不应大于 630kV· A10 燃气锅炉房应设置爆炸泄压设施 燃油或燃气锅炉房应设置独立的通风系统, 并应符合本规范第 9 章的规定5. 4. 13 布置在民用建筑内的柴油发电机房应符合下列规定:1 宜布置在首层或地下一、二层2 不应布置在人员密集场所的上一层、下一层或贴邻。
3 应采用耐火极限不低于 2. 00h 的防火隔墙和 1. 50h 的不燃性楼板与其他部位分隔,门应采用甲级防火门34 机房内设置储油间时,其总储存量不应大于 1m,储油间应采用耐火极限不低于 3. 00h的防火隔墙与发电机间分隔;确需在防火隔墙上开门时,应设置甲级防火门5 应设置火灾报警装置6 应设置与柴油发电机容量和建筑规模相适应的灭火设施,当建筑内其他部位设置自动喷水灭火系统时,机房内应设置自动喷水灭火系统5. 4. 14 供建筑内使用的丙类液体燃料,其储罐应布置在建筑外,并应符合下列规定:31 当总容量不大于 15m,且直埋于建筑附近、面向油罐一面 4.0m范围内的建筑外墙为防火墙时,储罐与建筑的防火间距不限;32 当总容量大于 15m 时,储罐的布置应符合本规范第 4. 2 节的规定;33 当设置中间罐时,中间罐的容量不应大于 1m,并应设置在一、二级耐火等级的单独房间内,房间门应采用甲级防火门5. 4. 15 设置在建筑内的锅炉、柴油发电机,其燃料供给管道应符合下列规定:1 在进入建筑物前和设备间内的管道上均应设置自动和手动切断阀;2 储油间的油箱应密闭且应设置通向室外的通气管,通气管应设置带阻火器的呼吸阀,油箱的下部应设置防止油品流散的设施;3 燃气供给管道的敷设应符合现行国家标准《城镇燃气设计规范》 GB 50028 的规定。
5.4.16 高层民用建筑内使用可燃气体燃料时,应采用管道供气使用可燃气体的房间或部位宜靠外墙设置,并应符合现行国家标准《城镇燃气设计规范》 GB 50028 的规定5. 4. 17 建筑采用瓶装液化石油气瓶组供气时,应符合下列规定:1 应设置独立的瓶组间;2 瓶组间不应与住宅建筑、重要公共建筑和其他高层公共建筑贴邻,液化石油气气瓶的总3容积不大于 1m 的瓶组间与所服务的其他建筑贴邻时,应采用自然气化方式供气;3 液化石油气气瓶的总容积大于33的独立瓶组间,与所服务建筑的防火间距1m、不大于4m应符合本规范表 5. 4.17 的规定;表 5. 4. 17 液化石油气气瓶的独立瓶组间与所服务建筑的防火间距 (m)注:气瓶总容积应按配置气瓶个数与单瓶几何容积的乘积计算4 在瓶组间的总出气管道上应设置紧急事故自动切断阀;5 瓶组间应设置可燃气体浓度报警装置;5.5 安全疏散和避难Ⅰ 一般要求5. 5. 1 民用建筑应根据其建筑高度、规模、使用功能和耐火等级等因素合理设置安全疏散和避难设施安全出口和疏散门的位置、数量、宽度及疏散楼梯间的形式,应满足人员安全疏散的要求5. 5. 2 建筑内的安全出口和疏散门应分散布置,且建筑内每个防火分区或一个防火分区的每个楼层、每个住宅单元每层相邻两个安全出口以及每个房间相邻两个疏散门最近边缘之间的水平距离不应小于 5m。
5. 5. 3 建筑的楼梯间宜通至屋面,通向屋面的门或窗应向外开启5. 5. 4 自动扶梯和电梯不应计作安全疏散设施25. 5. 5 除人员密集场所外,建筑面积不大于 500m、使用人数不超过 30 人且埋深不大于 10m的地下或半地下建筑 ( 室 ) ,当需要设置 2 个安全出口时,其中一个安全出口可利用直通室外的金属竖向梯除歌舞娱乐放映游艺场所外, 防火分区建筑面积不大于2防火200m的地下或半地下设备间、215 人的其他地下或半地下建筑( 室) ,可设置 1个安分区建筑面积不大于 50m 且经常停留人数不超过全出口或 1 部疏散楼梯除本规范另有规定外, 建筑面积不大于2建筑面积不大于2200m 的地下或半地下设备间、50m且经常停留人数不超过 15 人的其他地下或半地下房间,可设置1 个疏散门5. 5. 6 直通建筑内附设汽车库的电梯,应在汽车库部分设置电梯候梯厅,并应采用耐火极限不低于 2. 00h 的防火隔墙和乙级防火门与汽车库分隔5. 5. 7 高层建筑直通室外的安全出口上方,应设置挑出宽度不小于1.0m的防护挑檐Ⅱ 公共建筑5. 5. 8 公共建筑内每个防火分区或一个防火分区的每个楼层,其安全出口的数量应经计算确定,且不应少于2 个。
符合下列条件之一的公共建筑,可设置1 个安全出口或 1 部疏散楼梯:1除托儿所、幼儿园外,建筑面积不大于2且人数不超过 50 人的单层公共建筑或多层200m公共建筑的首层;2 除医疗建筑,老年人建筑,托儿所、幼儿园的儿童用房,儿童游乐厅等儿童活动场所和歌舞娱乐放映游艺场所等外,符合表 5.5.8 规定的公共建筑表 5.5.8 可设置 1 部疏散楼梯的公共建筑5. 5. 9 一、二级耐火等级公共建筑内的安全出口全部直通室外确有困难的防火分区,可利用通向相邻防火分区的甲级防火门作为安全出口,但应符合下列要求:1 利用通向相邻防火分区的甲级防火门作为安全出口时,应采用防火墙与相邻防火分区进行分隔;2 建筑面积大于2的防火分区,直通室外的安全出口不应少于2 个;建筑面积不大于1000m1000m2 的防火分区,直通室外的安全出口不应少于 1 个;3 该防火分区通向相邻防火分区的疏散净宽度不应大于其按本规范第 5.5.21 条规定计算所需疏散总净宽度的 30%,建筑各层直通室外的安全出口总净宽度不应小于按照本规范第 5.5.21条规定计算所需疏散总净宽度5.5.10 高层公共建筑的疏散楼梯,当分散设置确有困难且从任一疏散门至最近疏散楼梯间入口的距离不大于 10m时,可采用剪刀楼梯间,但应符合下列规定:1 楼梯间应为防烟楼梯间;2 梯段之间应设置耐火极限不低于 1. 00h 的防火隔墙;3 楼梯间的前室应分别设置。
5.5.11 设置不少于 2 部疏散楼梯的一、二级耐火等级多层公共建筑,如顶层局部升高,当高出部分的层数不超过 2 层、人数之和不超过 50 人且每层建筑面积不大于 200m2 时,高出部分可设置1 部疏散楼梯,但至少应另外设置1 个直通建筑主体上人平屋面的安全出口,且上人屋面应符合人员安全疏散的要求5.5.12 一类高层公共建筑和建筑高度大于 32m的二类高层公共建筑, 其疏散楼梯应采用防烟楼梯间裙房和建筑高度不大于 32m的二类高层公共建筑,其疏散楼梯应采用封闭楼梯间注:当裙房与高层建筑主体之间设置防火墙时,裙房的疏散楼梯可按本规范有关单、多层建筑的要求确定5.5.13 下列多层公共建筑的疏散楼梯,除与敞开式外廊直接相连的楼梯间外,均应采用封闭楼梯间:1 医疗建筑、旅馆、老年人建筑及类似使用功能的建筑;2 设置歌舞娱乐放映游艺场所的建筑;3 商店、图书馆、展览建筑、会议中心及类似使用功能的建筑;4 6 层及以上的其他建筑5.5.14 公共建筑内的客、货电梯宜设置电梯候梯厅,不宜直接设置在营业厅、展览厅、多功能厅等场所内5.5.15 公共建筑内房间的疏散门数量应经计算确定且不应少于 2 个。
除托儿所、幼儿园、老年人建筑、医疗建筑、 教学建筑内位于走道尽端的房间外, 符合下列条件之一的房间可设置 1 个疏散门:1 位于两个安全出口之间或袋形走道两侧的房间,对于托儿所、幼儿园、老年人建筑,建22筑面积不大于 50m;对于医疗建筑、教学建筑,建筑面积不大于75m;对于其他建筑或场所,建筑面积不大于2120m2位于走道尽端的房间,建筑面积小于2且疏散门的净宽度不小于0.90m,或由房间内50m任一点至疏散门的直线距离不大于15m、建筑面积不大于 200m2 且疏散门的净宽度不小于 1.40m3歌舞娱乐放映游艺场所内建筑面积不大于215 人的厅、室50m 且经常停留人数不超过5.5.16 剧场、电影院、礼堂和体育馆的观众厅或多功能厅,其疏散门的数量应经计算确定且不应少于 2 个,并应符合下列规定:1 对于剧场、 电影院、礼堂的观众厅或多功能厅,每个疏散门的平均疏散人数不应超过250人;当容纳人数超过 2000 人时,其超过2000 人的部分,每个疏散门的平均疏散人数不应超过400人2 对于体育馆的观众厅,每个疏散门的平均疏散人数不宜超过400 人~ 700 人5. 5. 17公共建筑的安全疏散距离应符合下列规定:1 直通疏散走道的房间疏散门至最近安全出口的直线距离不应大于表5.5.17 的规定。
表 5.5.17直通疏散走道的房间疏散门至最近安全出口的直线距离(m)注: 1 建筑内开向敞开式外廊的房间疏散门至最近安全出口的直线距离可按本表的规定增加 5m2 直通疏散走道的房间疏散门至最近敞开楼梯间的直线距离,当房间位于两个楼梯间之间时, 应按本表的规定减少 5m;当房间位于袋形走道两侧或尽端时, 应按本表的规定减少 2m3 建筑物内全部设置自动喷水灭火系统时,其安全疏散距离可按本表的规定增加25%2 楼梯间应在首层直通室外,确有困难时,可在首层采用扩大的封闭楼梯间或防烟楼梯间前室当层数不超过 4 层且未采用扩大的封闭楼梯间或防烟楼梯间前室时,可将直通室外的门设置在离楼梯间不大于 15m处3 房间内任一点至房间直通疏散走道的疏散门的直线距离, 不应大于表 5.5.17 规定的袋形走道两侧或尽端的疏散门至最近安全出口的直线距离4 一、二级耐火等级建筑内疏散门或安全出口不少于 2 个的观众厅、展览厅、多功能厅、餐厅、营业厅等,其室内任一点至最近疏散门或安全出口的直线距离不应大于 30m;当疏散门不能直通室外地面或疏散楼梯间时,应采用长度不大于 10m的疏散走道通至最近的安全出口当该场所设置自动喷水灭火系统时,室内任一点至最近安全出口的安全疏散距离可分别增加 25%。
5. 5. 18 除本规范另有规定外,公共建筑内疏散门和安全出口的净宽度不应小于0. 90m,疏散走道和疏散楼梯的净宽度不应小于1. 10m高层公共建筑内楼梯间的首层疏散门、首层疏散外门、疏散走道和疏散楼梯的最小净宽度应符合表 5. 5.18 的规定表 5.5. 18 高层公共建筑内楼梯间的首层疏散门、首层疏散外门、疏散走道和疏散楼梯的最小净宽度 (m)建筑类别楼梯间的首层疏散门、首层疏散外门走道疏散楼梯单面布房 双面布房高层医疗建筑1.301.401.501.30其他高层公共建筑1.201.301.401.205.5.19 人员密集的公共场所、观众厅的疏散门不应设置门槛,其净宽度不应小于1.40m,且紧靠门口内外各 1. 40m范围内不应设置踏步人员密集的公共场所的室外疏散通道的净宽度不应小于3.00m,并应直接通向宽敞地带5. 5.20 剧场、电影院、礼堂、体育馆等场所的疏散走道、疏散楼梯、疏散门、安全出口的各自总净宽度,应符合下列规定:1 观众厅内疏散走道的净宽度应按每 100 人不小于 0.60m计算,且不应小于 1.00m;边走道的净宽度不宜小于 0. 80m布置疏散走道时,横走道之间的座位排数不宜超过 20 排;纵走道之间的座位数:剧场、电影院、礼堂等,每排不宜超过 22 个;体育馆,每排不宜超过 26 个;前后排座椅的排距不小于 0.90m时,可增加 1. 0 倍,但不得超过 50 个;仅一侧有纵走道时,座位数应减少一半。
2 剧场、电影院、礼堂等场所供观众疏散的所有内门、外门、楼梯和走道的各自总净宽度,应根据疏散人数按每100 人的最小疏散净宽度不小于表5.5. 20-1 的规定计算确定表 5.5.20-1剧场、电影院、礼堂等场所每100 人所需最小疏散净宽度(m/百人 )观众厅座位数(座)≤2500≤1200耐火等级一、二级三级平坡地面0.650.85疏散部位门和走道0.751.00阶梯地面楼梯0.751.003 体育馆供观众疏散的所有内门、外门、楼梯和走道的各自总净宽度,应根据疏散人数按每 100 人的最小疏散净宽度不小于表5.5. 20-2 的规定计算确定表 5. 5. 20-2体育馆每100 人所需最小疏散净宽度(m/百人 )观众厅座位数范围(座)3000~ 50005001~ 1000010001~20000门和走道平坡地面0.430.370.32阶梯地面0.500.430.37疏散部位楼梯0.500.430.37注:本表中对应较大座位数范围按规定计算的疏散总净宽度,不应小于对应相邻较小座位数范围按其最多座位数计算的疏散总净宽度对于观众厅座位数少于 3000 个的体育馆,计算供观众疏散的所有内门、外门、楼梯和走道的各自总净宽度时,每 100 人的最小疏散净宽度不应小于表 5. 5.20-1的规定。
4 有等场需要的入场门不应作为观众厅的疏散门5. 5.21 除剧场、电影院、礼堂、体育馆外的其他公共建筑,其房间疏散门、安全出口、疏散走道和疏散楼梯的各自总净宽度,应符合下列规定:1 每层的房间疏散门、安全出口、疏散走道和疏散楼梯的各自总净宽度,应根据疏散人数按每 100 人的最小疏散净宽度不小于表 5.5.21-1 的规定计算确定当每层疏散人数不等时,疏散楼梯的总净宽度可分层计算,地上建筑内下层楼梯的总净宽度应按该层及以上疏散人数最多一层的人数计算;地下建筑内上层楼梯的总净宽度应按该层及以下疏散人数最多一层的人数计算表 5.5.21-1每层的房间疏散门、安全出口、疏散走道和疏散楼梯的每 100 人最小疏散净宽度 (m/百人 )2 地下或半地下人员密集的厅、室和歌舞娱乐放映游艺场所,其房间疏散门、安全出口、疏散走道和疏散楼梯的各自总净宽度,应根据疏散人数按每 100 人不小于 1. 00m计算确定3 首层外门的总净宽度应按该建筑疏散人数最多一层的人数计算确定,不供其他楼层人员疏散的外门,可按本层的疏散人数计算确定4歌舞娱乐放映游艺场所中录像厅的疏散人数,应根据厅、室的建筑面积按不小于1.0 人2计算;其他歌舞娱乐放映游艺场所的疏散人数,应根据厅、室的建筑面积按不小于2/ m0. 5 人/ m计算。
5有固定座位的场所,其疏散人数可按实际座位数的1. 1 倍计算6 展览厅的疏散人数应根据展览厅的建筑面积和人员密度计算,展览厅内的人员密度不宜2小于 0.75 人/ m7 商店的疏散人数应按每层营业厅的建筑面积乘以表5.5.21-2 规定的人员密度计算对于建材商店、家具和灯饰展示建筑,其人员密度可按表5.5. 21-2 规定值的30%确定表 5. 5. 21-2 商店营业厅内的人员密度2( 人/ m)楼层位置地下第二层地下第一层地上第一、二层地上第三层地上第四层及以上各层人员密度0.560.600.43 ~ 0.600.39 ~0.540.30 ~0.425.5.22 人员密集的公共建筑不宜在窗口、阳台等部位设置封闭的金属栅栏,确需设置时,应能从内部易于开启;窗口、阳台等部位宜根据其高度设置适用的辅助疏散逃生设施5. 5. 23建筑高度大于 100m的公共建筑,应设置避难层 ( 间 ) 避难层 ( 间 ) 应符合下列规定:1第一个避难层 ( 间) 的楼地面至灭火救援场地地面的高度不应大于50m,两个避难层 ( 间)之间的高度不宜大于 50m2 通向避难层 ( 间 ) 的疏散楼梯应在避难层分隔、同层错位或上下层断开。
3 避难层 ( 间 ) 的净面积应能满足设计避难人数避难的要求,并宜按2计算5. 0 人/ m4 避难层可兼作设备层设备管道宜集中布置,其中的易燃、可燃液体或气体管道应集中布置,设备管道区应采用耐火极限不低于3.00h 的防火隔墙与避难区分隔 管道井和设备间应采用耐火极限不低于 2.00h 的防火隔墙与避难区分隔, 管道井和设备间的门不应直接开向避难区; 确需直接开向避难区时,与避难层区出入口的距离不应小于 5m,且应采用甲级防火门避难间内不应设置易燃、 可燃液体或气体管道,不应开设除外窗、 疏散门之外的其他开口5 避难层应设置消防电梯出口6 应设置消火栓和消防软管卷盘7 应设置消防专线电话和应急广播8 在避难层 ( 间) 进入楼梯间的入口处和疏散楼梯通向避难层( 间 ) 的出口处,应设置明显的指示标志9 应设置直接对外的可开启窗口或独立的机械防烟设施,外窗应采用乙级防火窗5.5.24 高层病房楼应在二层及以上的病房楼层和洁净手术部设置避难间避难间应符合下列规定:1 避难间服务的护理单元不应超过2 个,其净面积应按每个护理单元不小于2确定25. 0m2 避难间兼作其他用途时,应保证人员的避难安全,且不得减少可供避难的净面积。
3 应靠近楼梯间, 并应采用耐火极限不低于 2.00h 的防火隔墙和甲级防火门与其他部位分隔4 应设置消防专线电话和消防应急广播5 避难间的入口处应设置明显的指示标志6 应设置直接对外的可开启窗口或独立的机械防烟设施,外窗应采用乙级防火窗Ⅲ 住宅建筑5. 5. 25 住宅建筑安全出口的设置应符合下列规定:1建筑高度不大于 27m的建筑,当每个单元任一层的建筑面积大于2650m,或任一户门至最近安全出口的距离大于15m时,每个单元每层的安全出口不应少于2 个;2建筑高度大于 27m、不大于 54m的建筑,当每个单元任一层的建筑面积大于650m2,或任一户门至最近安全出口的距离大于10m时,每个单元每层的安全出口不应少于2 个;3建筑高度大于 54m的建筑,每个单元每层的安全出口不应少于2 个5. 5.26 建筑高度大于27m,但不大于 54m的住宅建筑,每个单元设置一座疏散楼梯时,疏散楼梯应通至屋面,且单元之间的疏散楼梯应能通过屋面连通,户门应采用乙级防火门当不能通至屋面或不能通过屋面连通时,应设置2 个安全出口5. 5.27 住宅建筑的疏散楼梯设置应符合下列规定:1 建筑高度不大于 21m的住宅建筑可采用敞开楼梯间;与电梯井相邻布置的疏散楼梯应采用封闭楼梯间,当户门采用乙级防火门时,仍可采用敞开楼梯间。
2 建筑高度大于 21m、不大于 33m的住宅建筑应采用封闭楼梯间;当户门采用乙级防火门时,可采用敞开楼梯间3 建筑高度大于 33m的住宅建筑应采用防烟楼梯间户门不宜直接开向前室,确有困难时,每层开向同一前室的户门不应大于 3 樘且应采用乙级防火门5.5.28 住宅单元的疏散楼梯,当分散设置确有困难且任一户门至最近疏散楼梯间入口的距离不大于 10m时,可采用剪刀楼梯间,但应符合下列规定:1应采用防烟楼梯间2梯段之间应设置耐火极限不低于1. 00h 的防火隔墙3楼梯间的前室不宜共用;共用时,前室的使用面积不应小于26.0m4 楼梯间的前室或共用前室不宜与消防电梯的前室合用;楼梯间的共用前室与消防电梯的2前室合用时,合用前室的使用面积不应小于 12. 0m,且短边不应小于 2.4m5. 5. 29 住宅建筑的安全疏散距离应符合下列规定:1 直通疏散走道的户门至最近安全出口的直线距离不应大于表5.5.29 的规定表 5. 5.29住宅建筑直通疏散走道的户门至最近安全出口的直线距离(m)位于两个安全出口之间的户门位于袋形走道两侧或尽端的户门住宅建筑类别一、二级三级四级一、二级三级四级单、多层403525222015高层40——20——注: 1 开向敞开式外廊的户门至最近安全出口的最大直线距离可按本表的规定增加5m。
2 直通疏散走道的户门至最近敞开楼梯间的直线距离,当户门位于两个楼梯间之间时,应按本表的规定减少 5m;当户门位于袋形走道两侧或尽端时,应按本表的规定减少2m3 住宅建筑内全部设置自动喷水灭火系统时,其安全疏散距离可按本表的规定增加25%4 跃廊式住宅的户门至最近安全出口的距离,应从户门算起,小楼梯的一段距离可按其水平投影长度的 1.50 倍计算2 楼梯间应在首层直通室外,或在首层采用扩大的封闭楼梯间或防烟楼梯间前室层数不超过 4 层时,可将直通室外的门设置在离楼梯间不大于 15m处3 户内任一点至直通疏散走道的户门的直线距离不应大于表 5.5.29 规定的袋形走道两侧或。