中塔目录典尚设计
文档格式:DOC| 1 页|大小 35.50KB|积分 15|2021-11-03 发布|文档ID:37402555

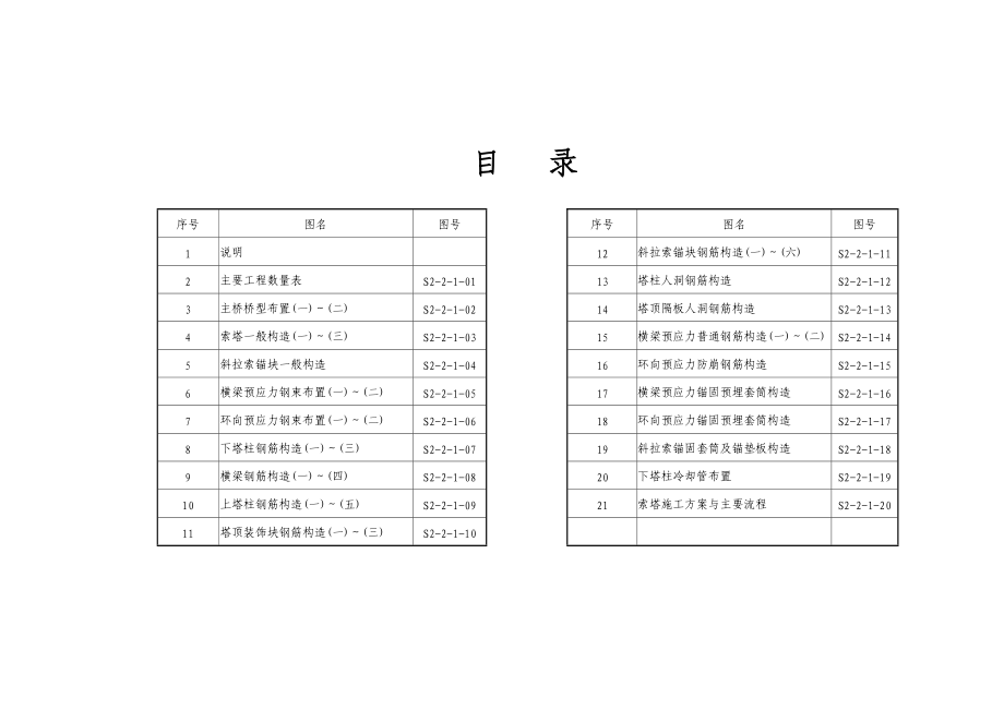
目目 录序号图名图号序号图名图号1说明 12斜拉索锚块钢筋构造(一)~(六)S2-2-1-112主要工程数量表S2-2-1-0113塔柱人洞钢筋构造S2-2-1-123主桥桥型布置(一)~(二)S2-2-1-0214塔顶隔板人洞钢筋构造S2-2-1-134索塔一般构造(一)~(三)S2-2-1-0315横梁预应力普通钢筋构造(一)~(二)S2-2-1-145斜拉索锚块一般构造S2-2-1-0416环向预应力防崩钢筋构造S2-2-1-156横梁预应力钢束布置(一)~(二)S2-2-1-0517横梁预应力锚固预埋套筒构造S2-2-1-167环向预应力钢束布置(一)~(二)S2-2-1-0618环向预应力锚固预埋套筒构造S2-2-1-178下塔柱钢筋构造(一)~(三)S2-2-1-0719斜拉索锚固套筒及锚垫板构造S2-2-1-189横梁钢筋构造(一)~(四)S2-2-1-0820下塔柱冷却管布置S2-2-1-1910上塔柱钢筋构造(一)~(五)S2-2-1-0921索塔施工方案与主要流程S2-2-1-2011塔顶装饰块钢筋构造(一)~(三)S2-2-1-10。
点击阅读更多内容
最新文档